Paso 6: Crear el sensor táctil capacitiva





El código de sensor que será la programación sobre el ATtiny vino de este tutorial. Puede descargar nuestro código personalizado desde github.
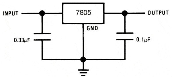
Primero utilizamos un regulador de voltaje de 5V de Radioshack para soltar el 19V del adaptador a 5V para el ATtiny. El micro controlador sólo puede manejar 5.5V máximo así que tenemos que bajar para evitar que vuele el micro controlador. Necesitábamos un disipador para prevenir sobrecalentamiento como la tensión de los reguladores se queman el exceso actual como calor. RadioShack también los tiene.
En primer lugar, tenemos que configurar el Arduino UNO como un ISP para programar el ATtiny85. Segui el tutorial en el primer enlace para ello.
A continuación, cargar el código proporcionado en nuestra página de github para el ATtiny. Una vez el ATtiny está programado con el código táctil, conectamos la salida a un transistor MOSFET para encender los LEDs que están funcionando fuera de poder 19V.
Esto debe completar el circuito y encender y apagar las uvas de LED cuando el sensor se activa.