Crear un pastillero conectado Internet (3 / 4 paso)

Paso 3: Completar el cableado

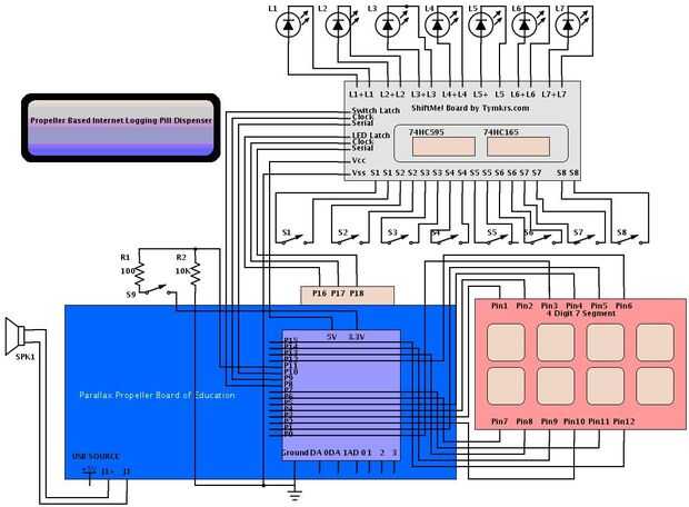
Construir el cuadro de
Si bien hay muchos tipos de dispensadores de píldoras en el mercado, encontré las obras Ezy dosis XL 7 día píldora recordatorio ideal para este proyecto porque es el único modelo que he visto que tiene botones que pueden ser detectados fácilmente por microinterruptores. Las dimensiones no son tan particulares pero he hecho las dimensiones en un dibujo 3D en Tinkercad aquí:

Conecte los cables de
Usé una herramienta de dibuja esquemática online llamada Schemeit para la caja P.I.L. esquemático y diagrama de cableado. Es muy fácil de ver lo que pasa que al utilizar la versión online por lo que he compartido el diseño aquí

Artículos Relacionados

Crear un robot de internet controlado mediante Livebots

Crear un robot de internet controlado mediante Livebots

aquí usted aprenderá cómo crear un robot controlado por internet u otra instalación de uso Livebots.Livebots es un proyecto que estoy trabajando en que consiste el sitio Web fácil de usar para todos los robots que la gente puede interactuar con a tra
Hacer un alimentador del animal doméstico conectado Internet

Hacer un alimentador del animal doméstico conectado Internet

En primer lugar, se necesita hardware especial para hacer esto, que se puede comprar en el link que te proporciono. Tenga en cuenta que se trata de una plataforma similar a Arduino, así que usted podrá realizar una cantidad casi infinita de proyectos
ImPower - el (Imp eléctrico accionado) tomacorriente conectado Internet

ImPower - el (Imp eléctrico accionado) tomacorriente conectado Internet

Este Instructable le mostrará cómo conectar un PowerSwitch para cola II hasta un Imp eléctrica y construir una página web simple para controlarlo!El PowerSwitch para permite que cambiar corriente alterna con un circuito de control opto-aislado. Esto
Crear su sitio de Internet

Crear su sitio de Internet

Hola, he estado trabajando en mi sitio web recientemente, aquí están los pasos que he seguido!Paso 1: Encontrar un proveedor gratuito de WebHe utilizado Jimdo, pero hay un montón de otros proveedores por ahí.Éste ofrece diseños web gratis grandes, y
Nariz de Rudolph - Internet conectado!

Nariz de Rudolph - Internet conectado!

A través de la "magia" de la transferencia de energía inalámbrica, nariz de Rudolph ilumina brillantemente cuando está cerca de su amada, Clarice. Usando el cloudBit y una receta IFTTT, nariz de Rudolph también brilla intensamente brillantemente
Crear tu propia radio por internet

Crear tu propia radio por internet

Este Instructable le muestra cómo crear una radio por internet (escuchar música house, rock, jazz, salsa...) en menos de 30 minutos sin ningún técnico conocimiento ni soldadura.La radio utiliza un frambuesa Pi como hardware, listo para archivo flash
1979 bang & Olufsen frambuesa Pi Radio por Internet

1979 bang & Olufsen frambuesa Pi Radio por Internet

esto es un 1979 Bang & Olufsen Beocord 1500 grabadora que he convertido en una independiente de radio por internet de Raspberry Pi. Los medidores de VU analógicos son conducidos por el Pi a través de un circuito DAC (convertidor analógico Digital), c
Radio por Internet de U-WAVE

Radio por Internet de U-WAVE

Crear una radio por internet funcional y simple que se puede controlar desde cualquier lugar en su casa así como el sonido increíble. Raspberry Pi puede crear una radio por internet para su hogar por una fracción del precio de compra! Como se ve en M
Monitor de Internet frambuesa Pi

Monitor de Internet frambuesa Pi

En mi casa, a menudo se puede escuchar alguien gritando "está el Internet?" A veces es pero la mayoría de las veces es un "usuario". Decidí construir un aparato que sería fácil de saber si la conexión a internet estaba funcionando o no
Internet con Monitor de planta

Internet con Monitor de planta

Hola todos, en este instructable, les mostraré como hacer un monitor de planta conectado internet. Esto se basa pesadamente en el planterbot, uno de mis mayores instructables. La fotografía y las instrucciones eran de baja calidad, así que decidí hac
ESP8266 - $5 internet con interruptor

ESP8266 - $5 internet con interruptor

En este tutorial mostramos cómo construir interruptor conectado internet WiFi conectado a la nube de EasyIoT. Vamos a utilizar ESP8266, el relé de estado sólido y el IDE de Arduino. Interruptor puede controlarse mediante aplicación WEB, aplicación na
Crear tu propia página web | Libre, divertido, rápido y fácil

Crear tu propia página web | Libre, divertido, rápido y fácil

En este instructable, aprenderás cómo crear tu propia página web usando un constructor gratis, rápido y fácil de usar.Paso 1: Crear una cuenta en Wix.comWix.com y haga clic en ingresar. A continuación, haga clic en "Yo soy un nuevo usuario". Con
ESP8266 $5 internet con switch - mejorado

ESP8266 $5 internet con switch - mejorado

En este tutorial mostramos cómo construir interruptor WiFi internet controlada conectado a la Nube de EasyIoT. Este tutorial es la versión mejorada del interruptor conectado internet ESP8266. Vamos a utilizar ESP8266, el relé de estado sólido y el ID
Acceso a ARIAG25 desde cualquier parte del mundo

Acceso a ARIAG25 desde cualquier parte del mundo

SISTEMAS DE ACMEDiseño y fabricación en Italia Linux incrustado placas desde el 2005. Nuestro negocio principal es para crear alta calidad CPU Linux módulos diseñados para el mercado profesional con la disponibilidad a largo plazo, alta confiabilidad