Paso 3: Placa de control Arduino




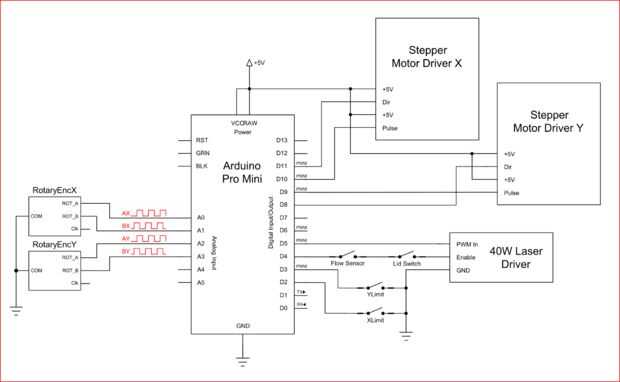
El arduino es puesto en un pedazo de Junta de tira que tiene los conectores para los otros módulos.
Todas las entradas conmutadas utilizan el tirón interno ups para detener la posibilidad de flotación de líneas digitales.
Los codificadores rotativos conectan utilizando los pines de entrada analógicos pero estos están configurados como IO digital.
Los controladores paso a paso motor ambos conectan al módulo hardware PWM Timer 1
El controlador de láser se conecta al módulo PWM hardware temporizador 3
El controlador activar la línea de láser se enruta a través del sensor de la tapa y el interruptor de flujo