Paso 7: Más en R.E.



Espero que esto puede obtener algunos consejos sobre cómo invertir el ingeniero parte del circuito para encontrar su pinout, porque cada Consejo es un poco diferente.
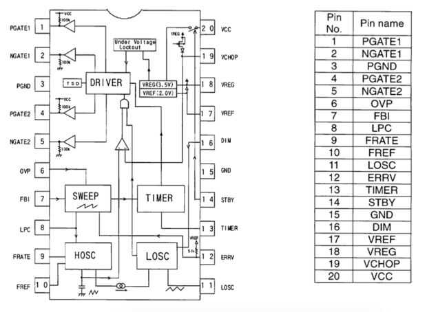
Este es un cuadro de un tablero del inversor un usuario preguntó sobre los comentarios.
Envió una foto de su Junta Directiva. El dispositivo principal es esta BD9825, busca en google seguido de la palabra clave "datasheet", pensando que es un documento PDF que contiene toda la información sobre este chip.
http://PDF1.alldatasheet.com/datasheet-PDF/View/13...
La hoja de datos contiene una descripción de cada pin. Vistazo a la placa, el chip debe contener una marca en una de las 4 esquinas un punto poco sangrado, o una ranura de U en un lado. Esto indica el pin 1. Para hacer las cosas más fácil girar la placa y orientar esto en la parte superior izquierda. Entonces contar los pines sabio contra reloj.
Lo más fácil es siempre encontrar lo que es el pin GND (masa). El chip de datos especificar GND como perno 15, contar los pines y saber cual pin es el 15, luego seguir el rastro que sale este pin hasta que llega uno de los pines en el conector en el lado, entonces ya sabes lo que este pin es GND. Si va a un través de seguir en el otro lado, si se pasa debajo de algo que no se ve eran van, la hacen mejor adivinar eran él empuja hacia fuera, el uso de un multímetro para comprobar la continuidad para saber si su hipótesis era correcta.
Yo básicamente lo mismo con los otros pines.
La tierra debe ser muy recto hacia adelante del pin en el conector, usando grandes rastros, o planos de tierra y tal vez adjunto a las clavijas múltiples.
VCC debe ser una más gruesa rastro, debe contener uno o más condensadores (dispositivos beige retangular con 2 cojines) de derivación a través de VCC y GND, puede tener una serie de inductor (parece un rectángulo negro probablemente sin un número en él, usted multímetro debe leer cerca de cero ohmios si es un inductor) y pueden contener un fusible en serie (hay negro blanco, o verde fusibles, pero debe leer 0 ohmios).
Los otros pines de activar/en espera ajustar/Dim deben ser rastros más delgados que sale de la IC y probablemente contiene una red de resistencia/condensador, para que sea más sencillo sólo tienes que seguir los rastros de la Junta, si los rastros termina en un componente, seguir el rastro después de las resistencias (negro unos, con 3 dígitos en él) no los condensadores (más amarillento), probablemente va a terminar los capacitores a tierra.
Esta placa fue diferente a la mía, tiene un STBY en vez de activar y DIM en vez de ADJ, pero esto no debe hacer mucha diferencia aparte de etiquetado. Pero la hoja de datos no está muy clara Cuáles son los niveles de DIM.
La tensión VCC debe ser igual a la fuente de alimentación común de la computadora portátil vino de.