Paso 2: Esquema y cómo funciona



La carga para este proyecto serán algunos de los led.
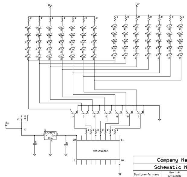
Los LEDs pueden conectarse cualquier forma que desee, pero la fuente de alimentación que utiliza determinará cómo usted puede enganchar para arriba.
Para mí, encontré un cargador de laptop que puede salida 16v 7,5 amperios máximo.
Ahora la manera más eficiente para conectar los leds fue en un arreglo paralelo de serie como se muestra en la tercera foto.
Para determinar el tamaño de la resistencia, primero Averigüe cuánto voltaje se cae por led. Azul y verde de que he usado, la caída de voltaje es alrededor de 3 a 3,3 voltios. Rojo y amarillo son de led alrededor de 2,2 voltios.
Ahora Sume todos las caídas de tensión en serie (3 * 5 = 15v)
Ahora que restar la tensión de la fuente (16-15 = 1v)
Ya sabes cuánto voltaje se cae por su resistencia (1v)
Ahora usar ley de ohm para resolver para R: V = IR (1v = .015R)
* Usé 15ma para mi led, esto es típico para 5mm leds
Así que ahora cada filamento está utilizando 15ma de su fuente.
Cada filamento puede ser su propia carga, o puede conectar tantos juntos como quieras, siempre y cuando la corriente total de la carga no supere el límite para el transistor. (2n3904 puede manejar 100ma)
* El transistor puede ser reemplazado con un Mosfet de canal N