Paso 1: Hardware



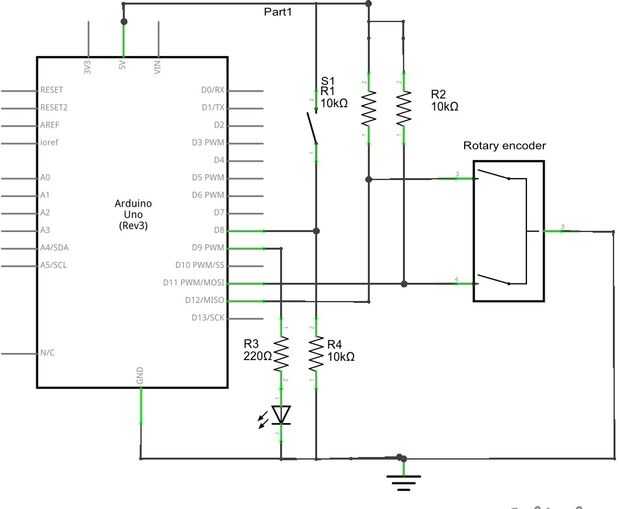
El esquema es muy simple. Pueden agregar más botones por replicar el circuito visto en el esquema. Montado el circuito un perfboard un instalado que en un pequeño recinto. Usé un cable de 9-base de datos para conectar el Arduino y el codificador incluido. En relación con el codificador el número de pasos por revolución no es crítico pero algo por encima de 10 hará bien.
Partes:
Codificador rotatorio (por ejemplo uno u otro )
resistencia de 220 ohm
LED
3 x resistencias de ohm de 10 k
Alambre
Recinto
Perilla para el codificador
Perfboard
Arduino (utilicé una copia barata de Arduino Nano)
Botón pulsador momentáneo