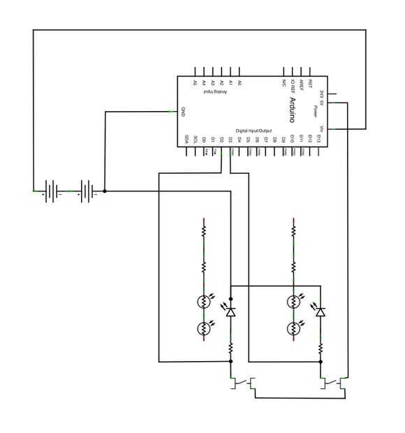
Paso 3: esquema


El esquema se muestra arriba, yo también he conectado un documento fritzing para su referencia. Este alimentador está programado para dispensar manualmente alimentos cuando son al mismo tiempo los botones "set" y "volumen". Conectando resistores sensibles luz a través de estos botones podemos simular la acción mecánica del botón como sigue:
Cuando los fotorresistores no estén expuestos a la luz su resistencia será muy alto y el procesador en el alimentador va a pensar que no se pulsen los botones. Contando el arduino para encender algunos LEDs cerca los fotorresistores, disminuirá la resistencia lo suficientemente baja como para el procesador del alimentador a pensar que los botones son depresión.
También he unido dos pulsadores en el circuito por lo que yo pude activar manualmente los LEDs para propósitos de solución de problemas. Estos botones no son esenciales para el proyecto (pero útil).
Yo también desviarse cierta energía de baterías de cuatro D del alimentador para alimentar el arduino.