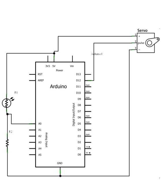
Control de Servo con luz

Hola!
En este Instructable le mostrará cómo controlar un servo con una célula fotoeléctrica.
Esto es muy simple y buena para principiantes.

Artículos Relacionados

Arduino: Control de servos con botones

Arduino: Control de servos con botones

Mientras que hay un montón de tutoriales sobre cómo control de Servos con palancas de mando y sensores analógicos, a veces queremos controlar un servo con botones.Aquí es una manera realmente fácil y rápida para ello, con la ayuda de Visuino - un amb
Control de Servos con Arduino y receptor/transmisor de RC

Control de Servos con Arduino y receptor/transmisor de RC

En este Tutorial voy a explicar cómo controlar más de un servo con un único canal de sus transmisor/receptor y el programa de movimientos propios. Es útil para movimientos complejos como brazos robóticos.Se necesita:-Arduino Uno-Transmisor-Receptor-3
Control de Servo con auriculares

Control de Servo con auriculares

Esta idea empezó con este instructable. En él, RichMethods explica bien cómo funcionan los auriculares. Su explicación me hizo darme cuenta que es posible controlar hasta dos servos con un auricular jack. No Arduino, PIC o cualquier microcontrolador
Control de Servos con WF32

Control de Servos con WF32

Control remoto servos conectados a la WF32 via un sitio web con las credenciales de inicio de sesión.Paso 1: Cargar archivos en la tarjeta SDDescargar el archivo adjunto y copiar y pegar archivos en una tarjeta micro SD que puede ser introducida en e
Arduino Nano y Visuino: Control de servos con codificador rotatorio

Arduino Nano y Visuino: Control de servos con codificador rotatorio

Hay un montón de Instructables que Servo control con potenciómetro, sin embargo a veces es útil controlar con un Codificador rotatorio. En este Instructable, les mostraré lo fácil que es implementar esto con la ayuda de Visuino - un ambiente de desar
Arduino: Control de servos con controlador de PS2 (programa con Visuino)

Arduino: Control de servos con controlador de PS2 (programa con Visuino)

En este Instructable aprenderá a programar el Arduino para controlar el motor Servo de un control de Play Station 2 con la ayuda de Visuino - un ambiente de desarrollo gráfico fácil de usar para Arduino.Tenga en cuenta que la anotación en algunas de
Control de servo con un Sensor de flexión de la curva

Control de servo con un Sensor de flexión de la curva

Este Instructable es demostrar cómo controlar un servo con un sensor de flexión de la curva. También una posible aplicación para tal configuración.MaterialesArduino unohttp://www.adafruit.com/products/50 $24,95Cable de núcleo sólidohttp://www.adafrui
Arduino Nano y Visuino: Control de Servos con Joystick

Arduino Nano y Visuino: Control de Servos con Joystick

Controlando Servos conectado a Arduino con Joystick es muy común. Con la ayuda de Visuino, un entorno de desarrollo gráfico fácil de usar para Arduino, lograr esto nunca ha sido tan fácil!Tenga en cuenta que la anotación en algunas de las fotos en es
Comunicación de Arduino Control Motor servo con MATLAB

Comunicación de Arduino Control Motor servo con MATLAB

Bu projede matlab gui ile arduino haberleşmesi yapılarak servo motorun hareket etmesi sağlanmıştır.MATLAB ile arduino iletişimi için matlab arduino bits dosyasını indiriniz.Komponentler Kullanılan:Arduino UnoMotor servoPaso 1: VideoMás información y
Control de servo

Control de servo

Con un potenciómetro y el temporizador 555, se puede controlar un servomotor con PWM (Pulse Width Modulation).Paso 1: Control de servos con temporizador 555 La manera del que 555 temporizador controla el servo es cambiando el ciclo de trabajo de sali
Controlar un Servo con LinkIt uno

Controlar un Servo con LinkIt uno

En este instructable nos va a controlar un servo con un un tablero linkit el servo girará 20 grados por segundo y hacer giros de 180 gradosPaso 1: Cargar códigoSi no sabes cómo subir el código a la Junta un LinkIt haga clic aquíAquí está el código qu
Control de motor servo con 1Sheeld

Control de motor servo con 1Sheeld

Si quieres control de motor servo con tu móvil sin usar el módulo Bluetooth y programar la aplicación para android, puede utilizar en lugar de ellos 1Sheeld.1Sheeld consiste básicamente de dos partes. La primera parte es un escudo que está físicament
WiiMote control Servos con RaspberryPi

WiiMote control Servos con RaspberryPi

En este muy breve tutorial, les mostraré cómo para control de 2 servos con cable en su RaspberryPi. Este tutorial es muy simple y flexible debido a sus múltiples aplicaciones. Por lo tanto, vamos a empezar!Si estás aburrido de leer, hice 2 videos sob
Cómo Control 3 Servo motores con interruptores de botón y un Arduino Uno

Cómo Control 3 Servo motores con interruptores de botón y un Arduino Uno

En este proyecto me puse la tarea de controlar el movimiento de 3 motores servo pulsando interruptores de botón. Mi intención es usar estos botones para controlar el movimiento de un brazo robot servo de tres.Qué queremos que pase:1. quiero controlar