Paso 4: El circuito





El circuito está hecho de dos diferentes secciones, cada uno de los cuales son bastante sencillas. Se adjuntan archivos en formato EagleCAD.
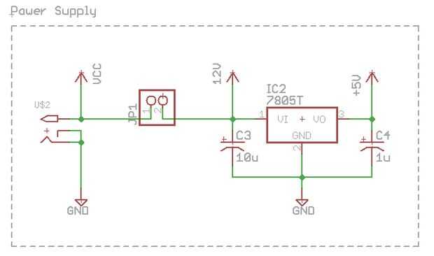
Fuente de alimentación
Los LEDs son alimentados por una verruga de la pared de 12V, y por eso es necesario un regulador de 5V a la tensión para el micro. También es un lugar para dos cables de puente, para que pueda incluir un interruptor separado.
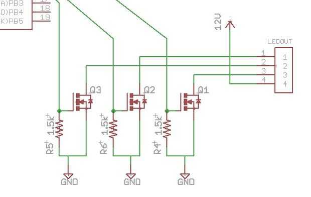
Control de LED
Los tres canales PWM en el micro se utilizan para alternar tres FETs, que a su vez los LEDs en coche.
Interfaz del USB
El protocolo USB utiliza dos cables de señal (D + y D-) para producir una señal diferencial. Es decir, cuando un cable es alto, la otra se tira bajo y viceversa. USB reconoce una señal de 0.0V - 0.3V como 'baja' y una señal de 2, 8V - 3.6V como 'alto'. Enviando información desde un ordenador para la micro no es problema, como el micro puede leer 3.3V como 'alto'. Hay un problema, sin embargo, que el micro enviará un 3.3V señal a la computadora. Una solución es ejecutar el micro en 3, 3V. Otro es bajar la tensión en los cables de señal. El VUSB wiki tiene dos opciones para cómo interfaz puerto USB de la computadora con un micro. Elegí B solución que podría funcionar el micro (y así cambiar los FETs) con 5V en vez de 3, 3V.