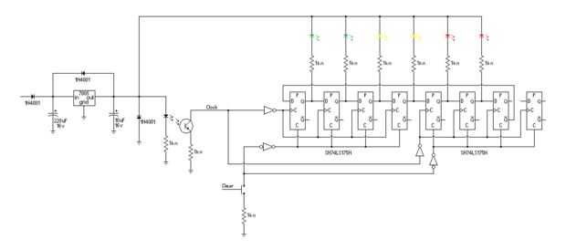
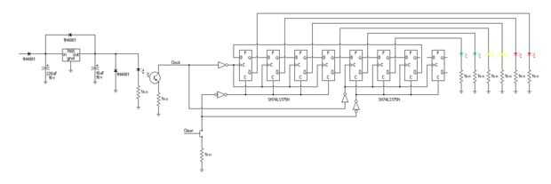
Paso 2: Este es el circuito terminado


Se trata de dos formas diferentes de cablear el circuito.
Funciona de la forma que querían, encienda el circuito y encender todos los LEDs, si todos los 6 LEDs no vienen en la prensa el botón de reset y los LEDs se encenderán.
Cada vez que pasa un objeto entre los IR LED y el fototransistor, un LED se apaga en un momento hasta que todos los 6 LED se apaguen, entonces cuando usted presiona el botón de reset enciende todos los 6 LEDs.
Si pasa un objeto entre el LED IR y el tiempo de fototransistor un 7 o más y los LEDs empiezan a encender.













