Paso 1: Planificación y esquemática


Puede modificarse el esquema que he diseñado para tensiones de lo que desea. Por ejemplo, si usted no tiene cualquier pedales 5V, sólo puede cambiar el regulador de potencia de 5V para un regulador de 9V, y ahora tienes doble el poder de 9V.
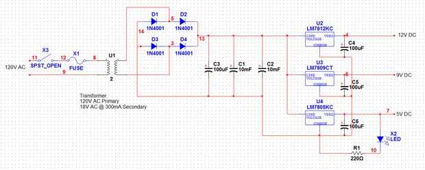
El esquema utiliza un circuito de alimentación simple conversión de AC a la C.C. que pulsa, suavizado con condensadores y corriente a través de reguladores de voltaje fijo DC salidas.
Aquí está una versión de resolución superior del esquema si no puede leer el siguiente muy fácilmente:
http://IMG.photobucket.com/albums/v321/mattthegamer463/Schematic.png