Construir un molino CNC artesanales baratos (24 / 27 paso)

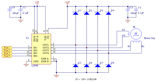
Paso 24: Prototipo paso a paso regulador

Usé un L298N como un controlador de motor paso a paso solo. Usé un clon de Arduino uno para controlar el controlador. Por cierto, el Arduino Mega tiene suficientes pernos para ejecutar tres conductores l298N.

Artículos Relacionados

Construir un router CNC

Construir un router CNC

este instructable le mostrará cómo construí mi router CNC. Espero que usted puede dibujar algunos inspiración de mi generación y que este instructable te será de ayuda para sus proyectos de futuro. Este instructable muestra todos los pasos que atrave
Hacer un molino CNC con un cortador láser

Hacer un molino CNC con un cortador láser

¿Por lo tanto, tienes un cortador del laser CNC pero quieres un molino CNC? Problema solucionado.Este proyecto es un pequeño molino CNC que se puede montar de comprado y laser-corte las piezas de alrededor de $800 sin máquinas de herramientas. (Si ti
Anillo de luz el Robot bajo el agua - parte 2 (molino CNC)

Anillo de luz el Robot bajo el agua - parte 2 (molino CNC)

Hola. En este instructable, estamos haciendo un anillo de luz. Es una pieza que va en la parte delantera de un robot submarino (Foto 2).Puedes leer más en el contexto de la parte 1 del instructable, pero aquí está la versión corta: sistema de ilumina
Cómo hacer un grabado en madera de... una foto de un grabar en madera usando su molino CNC

Cómo hacer un grabado en madera de... una foto de un grabar en madera usando su molino CNC

Sólo visitaba a mi papá y me preguntó si podía usar mi nuevo router CNC para hacer un grabado en madera.  ¿Que me puso a pensar... que, por qué no?Me envió una foto de un grabado en madera en casa de mi hermana, y en unas horas pude hacer este grabad
El molino CNC plástico fantástico

El molino CNC plástico fantástico

Ser un carpintero toda mi vida acojo con satisfacción la oportunidad de explorar nuevos materiales especialmente los mecanizable con herramientas de madera más. Tengo un amigo en el negocio de fabricación de plásticos que cuenta con una interminable
Construir un ordenador Ikea NAS barato

Construir un ordenador Ikea NAS barato

NAS: almacenamiento en redIKEA: Proveedores de cosas ordenadas, de bajo costo.NAS IKEA: Forma-Cool, de baja potencia, alta capacidad, almacenamiento en red o equipo de uso general.Actualización: Un poco más se puede encontrar en mi post de la página
Cómo construir un Extractor de humo barato

Cómo construir un Extractor de humo barato

no una tonelada de soldar, pero yo * odio * los humos que se producen y que soy demasiado barato para comprar un $100 + HEPA o activación del carbón de leña de soldadura extractor de vahos. Decidí que trataría de hacer mi propio para un poco más bara
Construir una mesa de hockey baratos

Construir una mesa de hockey baratos

es mi juego favorito de la casa. Generalmente la gente piensa, un hockey de mesa es caro. Pero ahora te muestro cómo hacer una mesa de hockey barato y disfrutar de él.Con una vieja mesa, usted puede hacer este hockey mesa menos entonces 10$.Si usted
Construir un soporte de soldador barato

Construir un soporte de soldador barato

es un soporte de soldador que construí por menos de $10.  Llevará a cabo varios soldadores o planchas del desoldador y apoya la plancha por el mango, para que no se desperdicia el calor de la plancha calentando para arriba el soporte de soldador sí m
Proyecto del molino CNC. Hice TechShop-Detroit

Proyecto del molino CNC. Hice TechShop-Detroit

su OK para utilizar una sofisticada maquinaria para trabajos sencillos. La parte de plástico pequeño sentado en la prensa es fácil de hacer con un molino manual, pero necesitaba 36 de ellos. En unas semanas, quizás necesito más de 36. El molino de To
Perillas de encargo en su molino CNC

Perillas de encargo en su molino CNC

Aquí es un proyecto fácil para todos aquellos principiantes de Metalmecánica CNC.Este proyecto surgió como un día, de alguna manera, perdí el mando de mi vibrador metálico / vaso. Recuerdo que dijo la perilla era tan pésimo, usa para obtener Desenros
¿Cómo construir un equipo de juegos "Baratos"

¿Cómo construir un equipo de juegos "Baratos"

has estado interesado en conseguir implicado en los juegos de PC, pero mostrado indecisos a $2000 + en la cima de la plataforma de juego de línea? Juegos en la PC es un mundo mágico con más personalización, mejor rendimiento y juegos más baratos en c
Construir una plataforma de lanzamiento barato

Construir una plataforma de lanzamiento barato

que recientemente fui buscando en la web de una plataforma de lanzamiento decente que podría soportar cohetes más grandes, permite giro de 360 grados de la barra de lanzamiento, mantener una variedad de lanzamiento diámetros de varilla y contraer par
Cómo construir un banco de trabajo barato para trabajar la madera con una plantilla Kreg HD, VIDEO tutorial

Cómo construir un banco de trabajo barato para trabajar la madera con una plantilla Kreg HD, VIDEO tutorial

Planes libres también están disponibles más abajo en medidas Imperiales y métricas.Paso 1: Ver Video completo Video Tutorial aquí.Warren de una madera de las herramientas muestra cómo construir una mesa de trabajo isla barata y fácil para trabajar la