Construir un juego de grúa grande (18 / 19 paso)

Paso 18: Completar el cableado

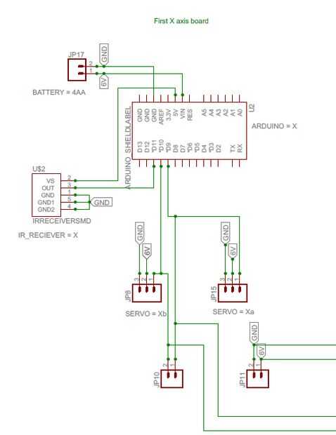
Aquí es todo el cableado en un solo lugar.

PDF y esquema de Eagle

Probablemente tiene errores.

* corrección * - Zservo debe ir a D5

Artículos Relacionados

Construir el juego de pelota de KVG

Construir el juego de pelota de KVG

Este es mi juego de pelotaconstruir(perdón por mi mala Inglés soy de Holanda)Este es un pequeño juego de pelota que nunca es aburrido y tiene un conteo bajo piezaencendiendo el equipo rojo el camino oscuro se muevedebes tratar de mantener la bola com
Juego handheld a pantalla grande interactivo

Juego handheld a pantalla grande interactivo

este Instructable muestra cómo esos juegos de mano viejos tu mamá te dio cuando eras pequeño y en un juego de gran escala que puede ser proyectado en el televisor y jugado por varios jugadores a la vez. Este instructable incluirá:* Creación de proyec
Cómo construir un juego teclado

Cómo construir un juego teclado

Este Instructable le mostrará cómo construir un teclado de juego fuera de un controlador de Logitech. Esto fue diseñado para que League of Legends (o, para no alienar a nadie, DOTA), pero que funciona para cualquier juego (he hecho un poco de Starcra
¿Construir un juego de GBA KVG soporte

¿Construir un juego de GBA KVG soporte

eres como yo? ¿Tienes más juegos de Gameboy Advance que sabe qué hacer con usted? ¿Desea intentar su mejor para mantener a estos juegos en buena forma? ¿Tienes KVG? ¿Es Bored?!Tal vez esto es una buena idea para usted!Este relativamente simple KVG ju
Construir un juego de ordenador, o aprender las partes básicas

Construir un juego de ordenador, o aprender las partes básicas

Mi hijo le encanta la tecnología, hemos construido un montón de proyectos juntos pero esta es su favorita. Este equipo de juego es su orgullo y alegría. Puede manejar todos sus juegos, streaming y grabación a las necesidades, los FPS es de primera cl
Cómo construir un juego de Jenga gigante

Cómo construir un juego de Jenga gigante

En este Instructable te mostraré cómo crear un juego de Jenga gigante de rápida y fácil y un maletín que también funciona como una plataforma para jugar al juego. Es una muy fácil y puede hacerse incluso con herramientas limitadas. Jenga gigante es s
Construir su propio avión rc grande "entrenador deportivo" el mejor plano para principiante!!

Construir su propio avión rc grande "entrenador deportivo" el mejor plano para principiante!!

Hola!por lo que este plano es el plano muy muy grande del entrenador de deporte para empezar a volar el avión! porque es muy estable en el aire y puede volar muy lento, que le dan un buen control también es muy fácil de construir, sólo deberás cortar
Cómo construir una juego de airsoft mapa/zona

Cómo construir una juego de airsoft mapa/zona

si usted sabe algunos desertaron o tienen su propia tierra que desee pasar un día de limpieza para arriba y crear su propia airsoft u otros arena juego de simulación militar. Este es un instructivo con algunos consejos sobre cómo sacar el máximo prov
Construir una antena de HDTV DB8 grande: Big Bertha

Construir una antena de HDTV DB8 grande: Big Bertha

Actualización mayo de 2015: esta antena fue construida en 2009. Ahora es 2015. Todavía tenemos y que todavía está haciendo su trabajo. Desde entonces me he puesto un amplificador en el mástil y que ahora podemos conseguir eso Canal de franja ligerame
Construir juego Hellaflush deriva coches

Construir juego Hellaflush deriva coches

concurso para el Jack Daniel, usaríamos $25.000 para comprar y construir dos juego Nissan 240sx drift máquinas.Las piezas incluyen: actualizar Ksport suspensión, asientos Bride, Rotas p45r ruedas, diferencial de deslizamiento limitado Kaaz, modificad
GRANDES, fáciles de construir compostador de lombriz

GRANDES, fáciles de construir compostador de lombriz

LO QUECompostadores de gusano de hoy son pequeñas y dentro de su casa. Para un proyecto escolar sobre 'Jardinería urbana' nos dieron la tarea de construir a un compostador de lombriz grande que podría ser utilizado para compostaje barrio jardines de
Grandes problemas en China poco juego de beber

Grandes problemas en China poco juego de beber

He bromeando sobre hospedaje una noche de película de BTiLC por un tiempo ahora, todo por el bien de este juego que ideó. Es bastante simple y evidentemente tonto, que lo hace divertido para los recién llegados y los fans hardcore por igual. ¡Vamos!P
¿Pared aumentable de juego de mesa de diseño para el molino del CNC

¿Pared aumentable de juego de mesa de diseño para el molino del CNC

han ganado alguna vez una noche épica de juego de mesa? ¿Ha querido demostrar que la victoria en la pared de la sala de estar? Bueno, con este instructable, usted puede construir su juego de mesa para montaje en pared propia que será la envidia de tu
Piezas de recambio juego de estrategia de triángulo

Piezas de recambio juego de estrategia de triángulo

Blokus™ es un juego de estrategia donde los jugadores intentan conseguir como muchas de sus piezas en el tablero mientras bloquea a sus oponentes de conseguir sus piezas en el tablero.Ha ganado muchos premios. Mi hermana y su familia me presenten a é