Construir un ecualizador de canal de tres en un protoboard (6 / 7 paso)

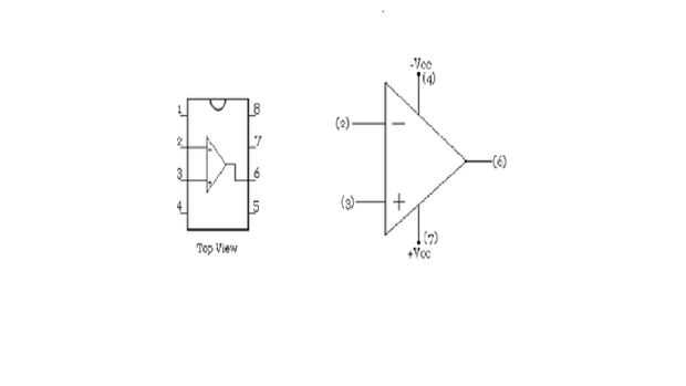
Paso 6: OP AMP

En este ecualizador de audio, se utiliza el amplificador operacionalLF351 *. Es un circuito integrado y utiliza un paquete de en línea dual de 8 pines, que fácilmente puede conectar en el protoboard. No hay ninguna conexión específica sobre el suelo. Para nuestro circuito, uso op amp fuente de alimentación tensión de 12V para el terminal positivo (pin 7) y tierra la energía negativa terminal (pin 4). Los arreglos de pin para el amplificador operacional se muestran a continuación. Asegúrese de mirar el tablero terminado viendo que el amplificador operacional se coloca en su posición correcta.

* O 356. o 741, o lo que podrían estar disponibles para usted.

Artículos Relacionados

Mesa LED con ecualizador con construir-en altavoces

Mesa LED con ecualizador con construir-en altavoces

en este instructable te voy a mostrar mi mesa. Consta de más de 100 LEDs, 2 altavoces, algunos circuitos del crossover ecualizador y audio. La tabla puede cambiar entre normal LED de iluminación de la Plaza y la función de ecualizador por canal.Lo qu
Ecualizador automático auriculares

Ecualizador automático auriculares

¿Teniendo en cuenta un par de auriculares, podemos hacer que les suene como otra y tal vez alta calidad par de auriculares? En este instructable, construimos un dispositivo que trata de hacer precisamente eso. Nuestro ecualizador automático auricular
Construir un vocoder analógico

Construir un vocoder analógico

este es mi primer Instructable y mi primer intento de un proyecto tan grande de la electrónica. Diseñé el circuito desde cero y estoy haciendo lo disponible a todos por lo que los interesados puedan construir su propio. Yo he llamado el Morphatron. N
¿Kayak de Seafoam, cualquier persona puede construir de Unsinkable espuma Kayak, 16 libras y ocho pies de diversión

¿Kayak de Seafoam, cualquier persona puede construir de Unsinkable espuma Kayak, 16 libras y ocho pies de diversión

puede cortar un panecillo crujiente con un cuchillo, pegar un sándwich junto con mayo, rallar queso, corte tela delgada con unas tijeras, estirar las arrugas de las sábanas y rodillo de pintura en la pared? A continuación, usted puede construir este
Cómo hacer una máquina de CNC de tres ejes (barato y fácil)

Cómo hacer una máquina de CNC de tres ejes (barato y fácil)

la idea detrás de este Instructable fue cumplir con mi deseo para máquina CNC una computadora de escritorio. Aunque hubiera estado bueno comprar un fuera de la estantería la cuestión de precio como tamaño probó prohibitiva. Con esto en mente me esfor
Actobotics regulador de canal de 48 pulgadas con retroceso automático y regulador de velocidad

Actobotics regulador de canal de 48 pulgadas con retroceso automático y regulador de velocidad

En 2014, construí el deslizador del canal Actobotics de Servocity.com para el uso con la fotografía de lapso de tiempo. La construcción original se puede encontrar mediante los siguientes enlaces:Estructura deslizanteUsando el control deslizanteAdici
Cómo construir con palets

Cómo construir con palets

si usted está en reutilizar y reciclar materiales, está interesado en edificio con paletas de envío. Edificio con paletas recientemente ha llegado a tener popularidad, y personas les han utilizado para montar todo, desde edificios de almacenamiento d
Cómo obtener grandes y construir tus músculos

Cómo obtener grandes y construir tus músculos

.Si desea obtener grandes o construir el músculo debes hacer tres pasos importantes.  Si pierdes un paso no tendrá en lo que quieresTodo lo que necesitas:-ZAPATOS deportivos.-Ropa deportiva.-buen entrenador.Paso 1: Comer bien si no comen bien y no ti
Cómo construir una ciudad de la muralla en Minecraft

Cómo construir una ciudad de la muralla en Minecraft

Hola y Bienvenidos a mi Instructable primera fue creada para el concurso de"Minecraft". En este Instructable, en lugar de simplemente mostrándole algo que solo hizo con un par de amigos sin darle nadainstrucciones, pensé que podría ser mucho más
Cómo construir tu propio ORGASMATRON (o headscraper)

Cómo construir tu propio ORGASMATRON (o headscraper)

ayudar a tu cerebro a pensar más rápido relajante tu mente!Con esta herramienta puede restablecer su medidor de tensión y continuar con su trabajo, sea lo que sea.Aproximadamente 1-2 hora de trabajo, pero nunca a llorar esta vez!por ejemplo, decidí c
Controlador de DJ USB DIY

Controlador de DJ USB DIY

Muchas personas están entrando a DJ ' s en estos días, ya sea como medio de expresión o una manera de ganar dinero extra. Me gusta pinchar ya que proporciona una experiencia más interesante, implicada e interactiva de escuchar música ya sea en compañ
EL mazo de cables del Light-Up perro

EL mazo de cables del Light-Up perro

Si es que Fido (o en mi caso, Marley) visible en una aventura o como un impresionante traje de todo el año, una luz hasta el arnés del perro es un excelente accesorio para tu cachorro favorito.EL cable es una gran opción para las luces portátiles. Se
Fuente de luz

Fuente de luz

Somos una clase de estudiantes de Stanford que, impulsadas por nuestro deseo de sustituir las fuentes afectadas por la sequía en el campus, decidió crear una fuente electrónica de luz, en lugar de agua, como el medio principal.Paso 1: materiales ESTR
Usar la fuerza... ¿O sus ondas cerebrales? (pensamiento multifuctional sistema controlado)

Usar la fuerza... ¿O sus ondas cerebrales? (pensamiento multifuctional sistema controlado)

Cuando era niño siempre quise tener una habilidad especial, como mover objetos con pensamientos o volando. Traté de mover objetos con "el poder de mi mente", por supuesto sin ningún éxito. Bueno, sí, era y soy un gran fan de Star Wars, pero tamb