Paso 2: Esquema y plantilla


Para ver una versión más grande de ambas, ratón sobre ellas y haga clic en el símbolo que aparece en la esquina superior izquierda. Esto le llevará a la página donde se puede ver el tamaño original de la imagen.
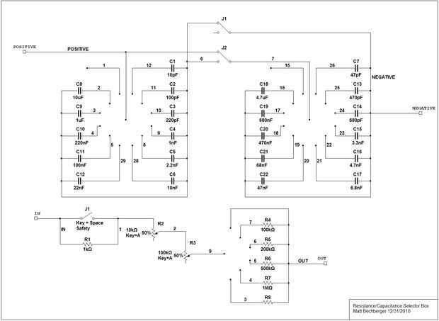
El esquema es de dos piezas separadas, la porción de la resistencia y la porción de capacitancia. La porción de la capacitancia es esencialmente dos "variable caps" que consiste en un interruptor giratorio y 11 tapones cada uno. Un conmutador DPDT les permite pasar de una URL a la configuración de serie cuando sea necesario, para obtener valores más combinatorios.
La porción de resistencia es una 1 k resistencia de ohmios en un botón (para que actúe como una seguridad baja de ohmios, cuando la resistencia total no presionada no puede ir por debajo de 1000 ohmios), dos potenciómetros y un interruptor rotatorio para las opciones de resistencia adicional.













