Paso 7: El circuito de la soldadura a






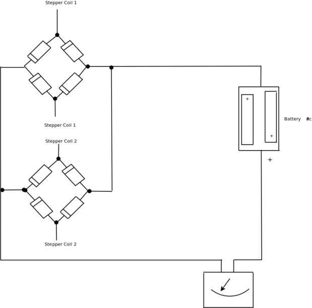
Siga el diagrama y la soldadura de todos los diodos juntos así como el paquete de batería y motor de paso a paso. Utilicé un soporte de celular AAA tres puramente porque tenía a la mano usted sólo necesita un soporte de dos células.
Identificación de los cables de salida del motor:
Para identificar los cables de los pasos puede utilizar un óhmetro para medir la resistencia entre el alambre, los dos cables que se conectan a una bobina del motor tendrá una resistencia entre 5-100 ohms (aproximadamente). Si no tienes un ohmetro simplemente puede usar un led, conectarlo a los diferentes cables hasta encontrar los que están produciendo energía. Cuando haya identificado los pares de bobina, girar juntos para no perderlos.
Conexión del amperímetro:
Dejé una ruptura en los cables por lo que puedo medir la corriente que fluye a las baterías fácilmente se puede omitir esto si no quieres medir la salida.
Si ha conectado un medidor en el circuito puedes hacer girar el motor a mano y ver cuánto actual empuja. Mide alrededor de 75ma girar a mano.
Asegúrese de que tienes todas las líneas en los lugares correctos en los diodos, que indican la polaridad del diodo y deben señalar el camino correcto. Como alternativa para soldar los diodos juntos que usted podría comprar listo fabrican puentes rectificadores (son muy baratos) y conectan junto con bloques de tornillo.
No hay ninguna razón por qué no se puede conectar algunos LED en lugar de las pilas para hacer un LED decorativo viento spinner., si eso es lo que usted prefiere.
Nota: he cambiado los rectificadores en paralelo en 26/04/2010 gracias ghurd y trialex
Rectificación de otros tipos de motor paso a paso:
También hay 5 cables y 6wire de motores paso a paso, El nuevo tinglado tiene algunos circuitos de rectificación de estos ver aquí: http://www.thebackshed.com/windmill/assemblyMini3.asp













