Paso 1: Paso 2: Haz tu diseño!


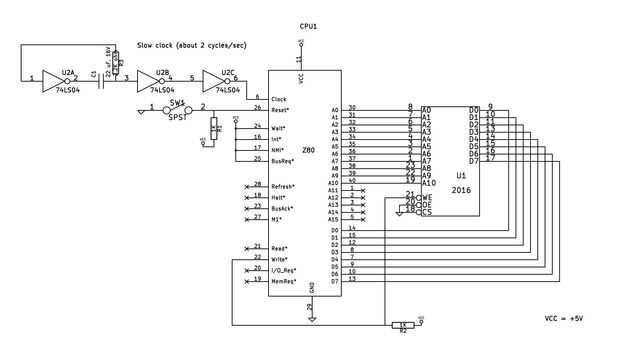
Tengo mi diseño de una variedad de recursos. Esta es una versión extremadamente simplificada que encontré después de mirar los kits en http://cpuville.com/computer_details.html y un correo electrónico a su creador. Él me guió y me mostró un diagrama del circuito simple arranque z80 que podría utilizar para aprender. También había estado leyendo del libro de Steve Ciarcia construir tu propio z80 inspirarte (está disponible en google libros gratis! ¡ Pruébelo!) . Utilizando su diseño básico también agregué algunos otros detalles (después de experimentación protoboard, que es paso 3: P) como un programador de memoria RAM y algunas pantallas.