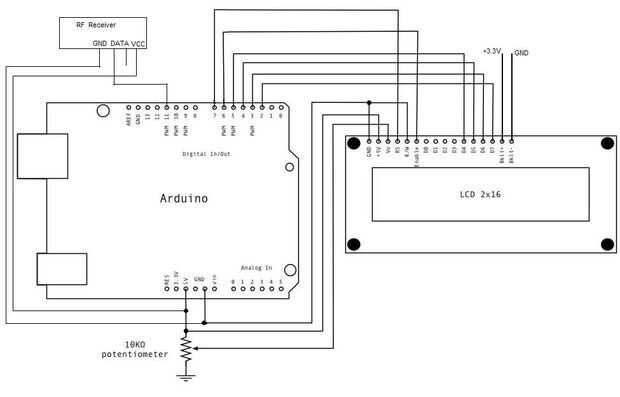
Comunicación inalámbrica RF de Arduino (5 / 7 paso)

Paso 5: Esquema del receptor

Artículos Relacionados

4 comunicación inalámbrica Nrf24L01 de Arduino 4

4 comunicación inalámbrica Nrf24L01 de Arduino 4

4 comunicación inalámbrica Arduino 4 Nrf24L01DocumentosVideo de YouTube
Comunicación inalámbrica de Arduino UNO con PC

Comunicación inalámbrica de Arduino UNO con PC

uso Arduino BATT y protector de la UART del RF, puede ser fácil de implementar la comunicación inalámbrica entre PC y UNO. el escudo usa 2 pilas AAA y proporcionar 5V a la ONU, por lo que la ONU puede ser inalámbrico de trabajo y comunicación a PC a
De la gama larga, km 1,8, Arduino Arduino comunicación inalámbrica con el HC-12.

De la gama larga, km 1,8, Arduino Arduino comunicación inalámbrica con el HC-12.

En este instructable aprenderá a comunicarse entre Arduinos a larga distancia hasta 1,8 kilómetros en aire abierto.HC-12 es un módulo de comunicación inalámbrico puerto serie que es muy útil, muy potente y fácil de usar.Primero se aprende a hacer una
Arduino + nRF24L01: comunicación inalámbrica bidireccional Simple

Arduino + nRF24L01: comunicación inalámbrica bidireccional Simple

Con este proyecto quería establecer comunicación bidireccional entre dos circuitos. Para ello, utilicé el nRF24L01, que es ultra baja potencia transceptor que funciona en el sobre 2, 4 GHz.Los circuitos son muy sencillos y sólo hará dos cosas:enciend
Interruptor de Rc de comunicación inalámbrica de 433Mhz de Arduino

Interruptor de Rc de comunicación inalámbrica de 433Mhz de Arduino

En este instructable nos estaremos viendo cómo utilizar el transmisor de 433 Mhz y receptor para comunicarse a través de la placa arduino. También podemos usar los Ht12 codificador y decodificadorComponentes necesarios:Módulo de transmisor receptor d
Carro RC inalámbrico doble (2 x remoto de comunicación inalámbrica y bluetooth) en Arduino

Carro RC inalámbrico doble (2 x remoto de comunicación inalámbrica y bluetooth) en Arduino

Hola a todos. Decidí hacer algo fácil y accesible para todos. Vi un montón de vídeos y descripciones de cómo construir un remotamente controlable de autos, camiones. Para mi se trata de invertir lo menos posible de esfuerzos y dinero para construir a
Modificación de Wiimote de inalámbrica para las personas con discapacidad

Modificación de Wiimote de inalámbrica para las personas con discapacidad

Este Instructable adicional se basa en la versión anterior mediante la incorporación de botones sin hilos separado del mando a distancia. Se creó también una bandeja de regazo con una capa de velcro para permitir que el usuario colocar los botones ex
X-Track - visualización de música inalámbrica y tracker

X-Track - visualización de música inalámbrica y tracker

X-Track es un dispositivo inalámbrico de prototipo que conecta con la música, proporcionando entretenimiento con su brillante LED sincronizados por el ritmo y sus movimientos de seguimiento para que usted puede aprender más adelante cuánto disfrutast
Configuración inalámbrica láser corte caja de luz a través de Bluetooth (TfCD)

Configuración inalámbrica láser corte caja de luz a través de Bluetooth (TfCD)

Este instructable muestra cómo configurar de manera inalámbrica a un Arduino UNO. La luz es controlada a través de un teléfono android a través de Bluetooth.MaterialesCircuito del hardware:Módulo Bluetooth HC-05Desplazador de nivel de lógicaCondensad
ATMEL AT89S52 + RFM70 para transmisión de datos inalámbrica!

ATMEL AT89S52 + RFM70 para transmisión de datos inalámbrica!

He conectado RFM70 un 2.4 GHz RF módulo con microcontrolador AT89S52 de ATMEL y utilizado para la comunicación inalámbrica.Microcontrolador que he utilizado:- - ATMEL AT89S52.Programador para ATMEL:- programador Universal TOPWIN.Módulo del RF:- RFM70
Inalámbrica de Streaming de Audio y reconocimiento de voz con Arduino

Inalámbrica de Streaming de Audio y reconocimiento de voz con Arduino

en este proyecto conecto mi placa de Arduino a un módulo WiFly (https://www.sparkfun.com/products/10822) de las redes de la vagueación y stream de audio a la PC, para que BitVoicer (http://www.bitsophia.com/BitVoicer.aspx) puede realizar reconocimien
Transmisión inalámbrica barata entre dos Arduinos con infrarrojo

Transmisión inalámbrica barata entre dos Arduinos con infrarrojo

Hola a todosPara un proyecto, estaba buscando una solución barata enviar datos desde un Arduino a otro. El puerto serial ya fue tomado, y mi transmisión (unidireccional) debe ser inalámbrica.Mis investigaciones me ha traído a descubrir este tipo de m
Programa de carga inalámbrica para Arduino sin cable USB

Programa de carga inalámbrica para Arduino sin cable USB

Programador de Arduino Wireless está diseñado para cargar el programa desde tu PC/laptop a Arduino board solo por Bluetooth.Ahora que puede actualizar el programa a las placas Arduino que incluida en la caja o estuche sin ningún gato del usb, usted n
Arduino Bluetooth programación escudo (código de carga inalámbrica)

Arduino Bluetooth programación escudo (código de carga inalámbrica)

Este proyecto le mostrará cómo hacer un código de Arduino de carga inalámbrica de tu ordenador via Bluetooth.Paso 1: Paso #1: protoboard el circuito de instalación del módulo de Bluetooth. •El módulo de Bluetooth utilizado en este proyecto es el HC-0