Paso 5: Amplificador de instrumentación


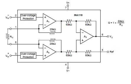
Utilizamos una INA 118P amplificador y una resistencia de 100 kOhm para Rg. Puesto que el AD5933 sólo puede leer voltajes positivos, tenemos habían entrada 2.5V en el Vref terminal. Esto se logró con un divisor de voltaje con la fuente de 5V de arduino uno y dos 1 kOhm resistencias. Una resistencia de 1 kOhm se conecta entre la salida de la INA P 118 y el puerto de Vin de la AD5933. Otro 1 kOhm resistencia está conectado entre el puerto de Vin y el puerto de la RFB.