Paso 4: Potenciómetros y poder

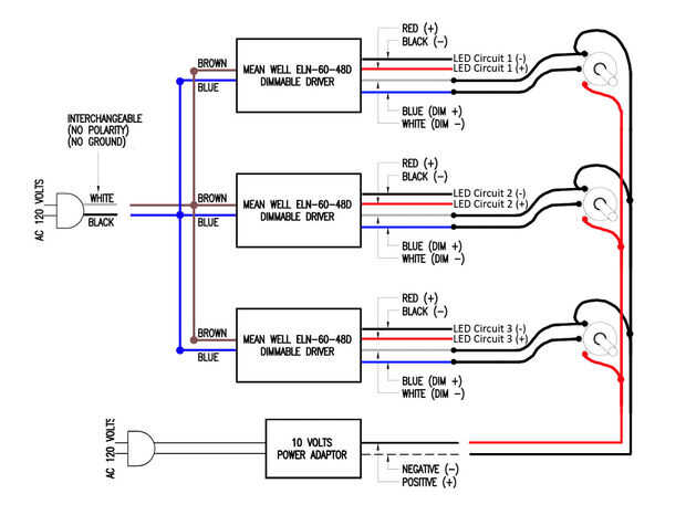
El controlador puede aceptar una señal 0-10V. Utilizando un adaptador de CA de 10V y potenciómetros de tres 10 k le permite variar el voltaje entre 0-10V, amortiguando así los controladores. Cuanto mayor sea el voltaje, el más brillante del LED. El esquema adjunto debe ser todo lo que necesita para conectar los potenciómetros a los controladores y el poder.
Los tres pilotos pueden conectarse en paralelo a un cable de alimentación de CA de 120V.
NO SOLDAR EL LED AL ALAMBRE CONDUCTOR TODAVÍA.
Los cables rojo y negro en el controlador se conectarán a los cables rojo y negro de los LEDs (rojo con rojo y negro con negro). Cada controlador se conecta al propio circuito.
Ajuste SVR2 Tutorial:
SVR2 situado en el medio D 48 bien tendrá que ser ajustado para proporcionar los amplificadores adecuados a los LEDs. RapidLED ha creado un tutorial de youtube sobre el ajuste de la SVR2. En lugar de explicarla, aquí está el enlace al tutorial.
EL SVR2 DEBE CONFIGURARSE CORRECTAMENTE PARA EVITAR DAÑOS Y PERMITIR UN RENDIMIENTO ÓPTIMO.













