Paso 3: diseño



Energía
Baños la mayoría no tienen un derecho de salida al lado del inodoro para que inodoro Buddy funciona con baterías 3xAA. También ha diseñado para maximizar la duración de la batería por permanecer en modo de baja potencia hasta que se necesita más rendimiento.
En primer lugar, te conectamos las pilas directamente al pin de 5V en la plataforma de la hélice. Esto salta el regulador de voltaje de 5V, reduciendo el consumo de corriente de espera. También aprovechamos de los reguladores de voltaje LDO Ultra, por lo que podemos exprimir cada gota de las baterías.
En segundo lugar, podemos minimizar el consumo de energía de la hélice con nuestro programa. Compañero de aseo va a quedar en modo de baja potencia 99% del tiempo. Funciona un solo núcleo al comprobar los sensores y sólo se activa hasta un segundo núcleo durante la reproducción de audio.
Mantener el consumo al mínimo obtendrá nosotros por lo menos 1.000 horas en un solo conjunto de baterías, o alrededor de 40 días.
Sensor de luz
Utilizamos un fotoresistor para medir la luz ambiental. Cambia su resistencia en base a cuánto se expone a la luz.

En primer lugar, nuestros gastos primer circuito hasta el condensador. Luego descarga, contando el tiempo que tarda la descarga a 1.8V. La cantidad de tiempo que el condensador se toma a la descarga es proporcional a la resistencia de la fotorresistencia. Más resistencia = descarga más larga.
Detector IR
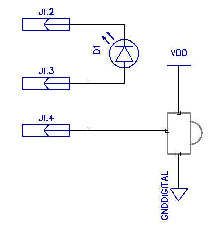
Aquí es el circuito Detector de IR;

El LED infrarrojo explosiones modulación de luz 38 kHz y el receptor de infrarrojos nos dice si ve cualquier luz IR modulando en 38kHz. Cualquier objeto cercano reflejará la luz de lo LED, rebotando al receptor. Además, podemos cambiar la potencia de transmisión del LED para obtener una idea aproximada de lo lejos está el objeto. Esta técnica funciona bien para distancias cortas y cuando la presencia es más importante que la distancia.
Circuito de audio

Elección del altavoz es importante, sobre todo porque estamos manejando los altavoces directamente a pines de I/O de la hélice. Utilice los altavoces en un viejo par de auriculares es probablemente su mejor apuesta, como altavoces auriculares son bastante eficientes. Pero si usted lo desea más fuerte, necesitarás usar un par de altavoces amplificados.
Ahora, te voy a mostrar cómo armar el circuito. Voy a construir en un protoboard pequeño, pero puede usar un ProtoPlus o un tablero de repuesto - la plataforma de hélice utiliza estándar. 1" espaciado.