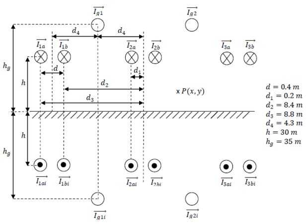
Paso 2: Física y matemáticas



Para calcular los campos eléctricos y magnéticos, muchos pasos son necesarias, matemáticas ecuaciones, las leyes de la física, etc..
Desde este instructable es sobre el uso de plot.ly a omitir esta parte y centrarse sólo en la API para el envío de datos de MATLAB o Octave a la página web plotly.
Sin embargo, si usted está todavía interesado en el aprendizaje de los cálculos, siempre puede chequear mi blog donde explico esa parte en detalle.
Así, de este paso, simplemente consideremos que tengo mi algoritmo MATLAB/Octave que calcula la EMF y salidas de una matriz con los datos.