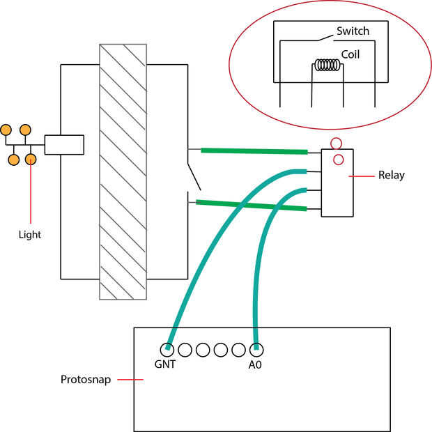
Cómo piratear un juguete electrónico barato (2 / 3 paso)

Paso 2: Conecte la luz en protosnap

Basado en conjeturar y probar por cable que encuentro los pins derecha cortocircuito del interruptor que puede que la luz parpadee. Luego la soldadura de un lado de los dos cables al interruptor y el otro al relé. Los otros dos cables a la Protosnap de soldadura. El punto del relé es porque no queremos dominar el circuito pero queremos los cables a unir. El relé puede hacer esto por el campo magnético creado por la corriente electrónica.

Artículos Relacionados

Añadir una batería interna para un piano de juguete electrónico

Añadir una batería interna para un piano de juguete electrónico

Si tienes un piano de juguete de la vieja escuela puede encontrar un problema que necesita una gran cantidad de pilas AA para funcionar. Mis células del AA Bontempi GT 509 piano 6 requerido. Compra de 6 pilas AA alcalinas parece * muy * desperdicio p
Sofocar la chirriante - calmando a los niños juguetes electrónicos

Sofocar la chirriante - calmando a los niños juguetes electrónicos

Nuestras chicas consiguieron recientemente estos juguetes hablantes poco para su cumpleaños. Gritan al azar frases y letras y colores si pulsas los botones. A pesar de que tienen un ajuste de volumen, nuestras chicas inmediatamente averiguaron cómo t
Calmando los juguetes electrónicos desagradable

Calmando los juguetes electrónicos desagradable

En este vídeo os muestro cómo reducir el ruido de juguetes electrónicos que mis compañeros de piso 4 años de edad reciben como regalos. Primer paso es simplemente tratar de que los juguetes enviados a de abuela o cualquier otra casa. Cuando que no vu
Recintos electrónicos personalizados

Recintos electrónicos personalizados

A menudo, cuando usted construye un kit electrónico barato no vienen con una caja, si tienes acceso a una impresora 3d, y un cortador láser aquí es una manera simple de hacer una caja personalizada que se ve cool y se ajusta a derecho.En este ejemplo
Hacer un dispositivo electrónico en la calle (IR Pen)

Hacer un dispositivo electrónico en la calle (IR Pen)

a veces no tienen suficientes materiales y espacio para hacer cualquier instructables para usted seguir leyendo...Quería hacer algunos instructables muy simple para que cualquier persona puede hacerlo en cualquier lugar. No será que la más impresiona
Personalizado Tutorial electrónico de respuesta para autistas, pre escolar, cognitivo desafió y no verbal niños

Personalizado Tutorial electrónico de respuesta para autistas, pre escolar, cognitivo desafió y no verbal niños

el Tutorial de electrónica respuesta personalizada permitirá a padres, cuidadores y profesores personalizar los ejercicios y hojas de respuesta a las necesidades específicas de un niño. Cuando el niño selecciona la respuesta 'correcta' de 2 a muchas
Medidor de pH electrónico bricolaje barato

Medidor de pH electrónico bricolaje barato

un medidor de pH electrónico está hecho de 3 componentes principales; la sonda de pH, el voltímetro y el circuito.Paso 1: la pH sonda La sonda de pH mide el pH como la actividad de los cationes de hidrógeno alrededor de un bulbo de cristal de paredes
Mar diversión - un vivo papel juguete por electrónico módulos básicos

Mar diversión - un vivo papel juguete por electrónico módulos básicos

de caigo para juguete de papel últimamente. Además de cortar y pegar de papel 3D juguetes, decidí hacer un vivo que puede realmente moverse e interactuar conmigo. Tenía las figuras de la historieta y escenas de papel impresión en una tienda de impres
Interruptores electrónicos cómo trabajo para Noobs: Relés y transistores

Interruptores electrónicos cómo trabajo para Noobs: Relés y transistores

Hola,Este Instructable está dirigida a aquellos simplemente caminar en el mundo de la electrónica.En esta guía le explicará cómo funcionan los dos principales tipos de interruptores electrónicos, los relés y transistores.En primer lugar, ¿qué es un i
Probador de componentes electrónicos

Probador de componentes electrónicos

Esta sencilla herramienta puede utilizarse para probar muchos componentes electrónicos si están trabajando bien. Es fácil de construir con materiales baratos. Algunos de ellos pueden encontrarse en su casa.Paso 1: materialesAlgunas herramientas útile
¿Tribble electrónico, "Fuzzy Logic" tipo

¿Tribble electrónico, "Fuzzy Logic" tipo

recuerda en la década de 1970 cuando ves Star Trek? ¿Recuerdas Cuánto quisiera tener un Tribble de tu propio? Bien, ahora usted puede! Solo tienes que construirlo... usando las piedra pieles cuchillos y oso de la microelectrónica de semiconductor era
Snow Crash: Alucinógeno electrónico

Snow Crash: Alucinógeno electrónico

Es una diadema sencilla que te hace ver parpadear loco, mutando a patrones de luz! También parece sentirse energético o tranquilo dependiendo de la frecuencia. Paso de alto voltaje, electricidad de baja tensión a través de su frente para darte un sho
Eliminación de verrugas electrónico - sin sangre!  Poco dolor.

Eliminación de verrugas electrónico - sin sangre! Poco dolor.

tuve un problema con la eliminación de verrugas con los años. Los resultados han sido nada espectaculares. He probado la mayoría de los métodos normales, resulta de la grabación que los vapores no es bueno para usted. Todavía tengo una cicatriz en mi
Cosplay Zootopia con módulo electrónico

Cosplay Zootopia con módulo electrónico

Zootopia es una maravillosa película adorable que llevarme un bonito conejo y un zorro inteligente. Me gusta tanto de ellos. Así como a Coser que quiero conseguir un par de oídos inteligentes de los animales en la película.Hardware de código abierto