Paso 1: esquemas de



OK, aquí vamos.
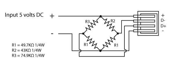
Los valores de las resistencias en el esquema siguiente pueden ser aproximados. Ésos son sólo los valores medido de las resistencias en mi cargador muerto. Usted también podría enlazar diferentes valoradas resistencias en serie en los ohmios exactos (22 K + 22 K = 44 K, perfecto para R2.) También, resistencias 1/8W funcionará muy bien.
Una vez que construir el circuito, prueba. Usted debe obtener alrededor de 2,7 voltios fuera de D - y 2V de D +. Esto puede parecer alto miedo pero es en la especificación USB para una conexión USB 2.0 de señalización. Se trata de cómo el iPod sabe que está bien para extraer la energía que necesita para cargar.