Cómo hack/RHG tu Xbox 360 (5 / 11 paso)

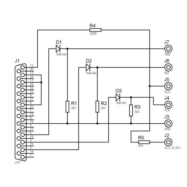
Paso 5: programa de coolrunner LPT cable

se puede ir a comprar un cable para programar tu coolrunner para usted o si su realmente van a ir todos hacia fuera con DIY entonces heres cómo hacer su propio. la segunda imagen es distinto si uno no funciona para usted.

usted necesitará

hombre puerto LPT

4.8 kohm resistencia

Si no funciona el primer cable entonces debe

hombre puerto LPT

omh 220 resistente (x1)

3.3 komh ressister (x3)

1N4148 diodo (x3)

Artículos Relacionados

Hacking el mando Xbox 360

Hacking el mando Xbox 360

tan leer mi tutorial del controlador S Xbox, luego salió y trató de un controlador de 360 mod. Bueno, es un poco diferente.Aquí destaco las diferencias y le mostrará cómo obtener un microcontrolador para realizar diferentes funciones con el nuevo con
Xbox 360 Hard Drive (disco duro externo)

Xbox 360 Hard Drive (disco duro externo)

es este instructable sobre cómo crear tu propio disco duro externo de Xbox 360.Este disco duro se puede utilizar para almacenar: música, videos, fotos, mucho más!Paso 1: fuentes de Lo que usted necesita para este instructable es:1 Xbox 3601 disco dur
XBOX 360 fuente de alimentación a 12V accesorio adaptador

XBOX 360 fuente de alimentación a 12V accesorio adaptador

este Instructable es un tutorial sobre cómo hacer tu propia fuente de alta corriente 12V para alimentar los accesorios del coche, Carputer o cualquier cosa 12V que requiere una gran cantidad de jugo. El adaptador hace uso de la Xbox 360 energía ladri
XBox 360 Arcade Juegos gratis

XBox 360 Arcade Juegos gratis

bueno, este es un Instructable y funciona totalmente serio. Ahora toco N + como 24/7. Estas personas probaron, buyed y ponen más de 89 juegos en un perfil para que usted pueda conseguir. Algunas no funcionan, pero la mayoría sí.LO QUE USTED NECESITA:
Minecraft Xbox 360 Glitches y trucos

Minecraft Xbox 360 Glitches y trucos

Hola chicos! Hoy voy a mostrarte todos los glitches de Minecraft Xbox 360 edition, trucos y bugs. Si tienes alguna duda, deja un comentario y Suscríbete!Semilla: Hatsune MikuDescripción de la semilla: los biomas, mar grande, cada artículo, incluyendo
Seis simples maneras de corregir el "Error de bandeja abierta" para XBOX 360

Seis simples maneras de corregir el "Error de bandeja abierta" para XBOX 360

haga clic a continuación para un tutorial de vídeo:vvvvvvvvvvvvvvvvvvvvvvvvvvvvvvvvvvvvvvvvvvvvvvvvvvvvvvvvvvvvvvvvvvvvvvvvvvvvvvvvhttp://www.youtube.com/watch?v=Ed5x5TexYSQ^^^^^^^^^^^^^^^^^^^^^^^^^^^^^^^^^^^^^^^^^^^^^^^^^^^^^^^^^^^^^^^^^^^^^^^^^^^^P
Cómo JTAG tu Xbox 360 y ejecutar homebrew

Cómo JTAG tu Xbox 360 y ejecutar homebrew

iba sobre cómo instalar XBR y Xell en tu Xbox 360.  Instalación de XBR le permite hacer muchas cosas tal ejecución code(homebrew) sin firmar, instalar cualquier disco duro tamaño (incluso 3,5 escritorio discos duros!), ftp en su caja y cuadros de man
Portátil Xbox 360 slim

Portátil Xbox 360 slim

Hola a todos, este es mi primer instructivo, y mostrará usted cómo hice un portable xbox 360. Poduct final se verá como un ordenador portátil con la fuente de alimentación interior de la caja. La pantalla que utilicé fue rescatada de un viejo portáti
Nuevo portátil XBOX 360 con Monitor

Nuevo portátil XBOX 360 con Monitor

¡ Hola todos!, pasado mucho tiempo desde que he publicado un proyecto pero aquí hay algo he estado fastidiando con. Desarmar una extra en XBOX 360 consola slim y lo que es portable!Paso 1: Montaje de Monitor Primero me tomó aparte el monitor, lo llev
Cómo cambiar todos los botones, gatillos, y palancas de mando en un Xbox 360 controlador inalámbrico

Cómo cambiar todos los botones, gatillos, y palancas de mando en un Xbox 360 controlador inalámbrico

este instructable le mostrará cómo hacer su propio controlador personalizado de la Xbox 360. Este proyecto podría ser un poco difícil o frustrante a veces, pero si pega con ella, su controlador será el mejor en el bloque.Paso 1: Reunir los materiales
Agua enfriado y pared montado Xbox 360

Agua enfriado y pared montado Xbox 360

Hola a todos y Bienvenidos a mi segundo Instructable.Antes de continuar, debo decir que me siento como si he perdido algunas piezas. Que se mantienen añadiendo pedacitos aquí y allá cuando noto te falta pero de lo contrario, si tienes una decente sab
Aire acondicionado Xbox 360 controlador V. 1

Aire acondicionado Xbox 360 controlador V. 1

Hola,Mi nombre es Jimi y me gusta hacer cosas con mis manos, mis pasatiempos incluyen mecánica de motor pequeña y grande, software y hardware de computadoras, trabajo de madera, trabajo del metal e incursionar en la obra plástica.Esta idea vino a mí,
¿Cómo cambiar la carcasa para su Xbox 360

¿Cómo cambiar la carcasa para su Xbox 360

quiere algo más emocionante entonces su viejo mate mate blanco o negro?¿Agrietada o dañada de su antigua placa de cara?Estas instrucciones son para usted!En estas instrucciones, usted aprenderá cómo cambiar la cáscara en un controlador inalámbrico Xb
Star wars R2-D2 xbox 360

Star wars R2-D2 xbox 360

Video aquí:Star Wars R2-D2 Xbox 360 con proyectorEsta es una de una clase de las galaxias r2d2 xbox 360 con proyector y entradas aux. Medida por mí... Bongo marca propietario de Mods de grandes ligas. para tu E-book gratis sobre cómo 2 mod tu xbox...