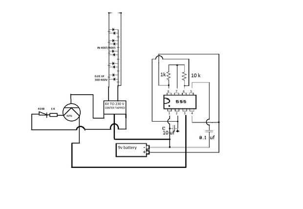
Cómo hacer una pistola de aturdimiento de transformador de potencia (2 / 3 paso)

Paso 2: Lo que es!!!

Hacer todo el circuito en una pcb/perfboard excepto el transformador. Aquí está el esquema.

Artículos Relacionados

Curiosamente fuerte (cómo hacer una pistola de aturdimiento lata Altoids)

Curiosamente fuerte (cómo hacer una pistola de aturdimiento lata Altoids)

se preparan para tener horas de diversión impactante amigos! Todo el mundo ama Altoids y haciendo cosas de Altoids latas, así que te va a encantar la picana lata Altoids te voy a mostrar cómo hacer. Lo mejor es que tienes que gastar poco o nada para
Cómo hacer una pistola de pegamento MODED DIY / Tutorial

Cómo hacer una pistola de pegamento MODED DIY / Tutorial

https://www.youtube.com/watch?v=T6FOlVmOk2A&feature=youtu.bePaso 1: Hacer una pistola de pegamento MODED necesita!!!!!! Se me ocurrió una idea para personalizar o en otras palabras mejorar mi pistola de pegamento.Paso 2: A veces sucede que es necesar
Cómo hacer una pistola de CO2 fácil

Cómo hacer una pistola de CO2 fácil

Este Instructable le mostrará cómo hacer una pistola de Copa a diferencia de cualquier otro antes de él; en lugar de utilizar aire comprimido o combustión, utiliza CO2 a presión creado por una reacción química para propulsar el proyectil. Este proyec
Cómo hacer una pistola semi-automática de goma con un láser vista - Tutorial

Cómo hacer una pistola semi-automática de goma con un láser vista - Tutorial

https://www.youtube.com/watch?v=zSdHBbzvkf4&feature=youtu.bePaso 1: Hacer una pistola semiautomática de goma con una mira láser necesita!!!!!! En el video de hoy voy a mostraros una gran idea que mi amigo compartió conmigo y me pidió que demuestran e
Cómo hacer una pistola de aire neumática

Cómo hacer una pistola de aire neumática

En este tutorial mostrará cómo hacer una pistola de aire neumático. Su una construcción interesante que utiliza presión de aire que es comprimido en un pistón y lanzado a través de una válvula para disparar un proyectil. Los materiales fueron comprad
Cómo hacer una pistola de dardos Mini letal

Cómo hacer una pistola de dardos Mini letal

Bienvenidos hoy les voy a mostrar cómo hacer una pistola de dardos letales powerfu muy y no un toy.lPaso 1: Lo que se necesitaPistola de pegamento caliente o pegamento muy fuerte (uso pegamento para uso inmediato)Taladro o puntiagudo agudopequeño tub
Cómo hacer una pistola de Spud fácil semi-automática de un extintor de incendios además de estrías

Cómo hacer una pistola de Spud fácil semi-automática de un extintor de incendios además de estrías

Este Instructable le mostrará cómo hacer un aire del cañón de un extintor de incendios y PVC y cómo hacer un rifled el barril sin ninguna maquinaria complicada. Al final de este Instructable, usted aprenderá cómo hacer una pistola de copa que puede c
Cómo hacer una pistola de lanza de bambú de 40 lb.

Cómo hacer una pistola de lanza de bambú de 40 lb.

Hoy mostrará usted cómo hacer una pistola de lanza de bambú 40 libras que puede hacerse con provisiones mínimas. Este es por lejos el arma más peligroso y potente que he hecho. Me tomó 15 minutos para hacer y la única razón por la que dejó de funcion
Cómo hacer una pistola de papel modelo!

Cómo hacer una pistola de papel modelo!

En este instructable, voy a mostrarles chicos cómo hacer una pistola de papel modelo!Presentaré la 92fs de Berreta, pero armas la mayoría son bastante similares en edificio. Así no sería un problema muy grande.Paso 1: ¿Qué se necesita? Ok, aquí está
Cómo hacer una pistola de goma de lápiz y cortarla

Cómo hacer una pistola de goma de lápiz y cortarla

eres siempre aburrido en la escuela?Manivela, lápices y cortarla y hacer una pistola de goma impresionante!Su 100% hecha enteramente de lápices y cortarla!Es rápido y fácil de hacer!Se trata de una divertida pistola de goma simple podría hacer clase,
Cómo hacer una pistola de Paintball resorte accionado

Cómo hacer una pistola de Paintball resorte accionado

en este Instructable, le mostraré cómo hacer una pistola de resorte accionado que puede disparar bolas de pintura, rocas, etc..** NO TOMAR NINGUNA RESPONSABILIDAD POR LO QUE HACER CON LA INFORMACIÓN PROPORCIONADA EN ESTE INSTRUCTABLE **Paso 1: materi
Cómo hacer una pistola de bolas de ping pong

Cómo hacer una pistola de bolas de ping pong

con estilo ¿está cansado de guerras de oficina/aula/patio trasero sin ninguna o armas eficientes?¿Cansado de recibir un disparo con una pistola de bb de plástico barato que duele como el infierno y se rompe después de 5 disparos?¿Quieres disparar a t
Cómo hacer una pistola de Portal.

Cómo hacer una pistola de Portal.

Se trata de cómo hice mi pistola de portal para halloween 2011.es una de muchas maneras que usted puede hacer una pistola de portal. lo hice así porque mi experiances con estos materiales eran más altos que cualquier otro método.Ive esto entró en el
Hacer una pistola de una clavija de ropa!

Hacer una pistola de una clavija de ropa!

este instuctable le mostrará cómo hacer una pistola decente de una peg!Paso 1: equipo de necesitamos una clavija (bien qué más necesitas hacer una pistola de clavija. También tiene que ser madera)banda de gomapartido o cualquier cosa para despedir co