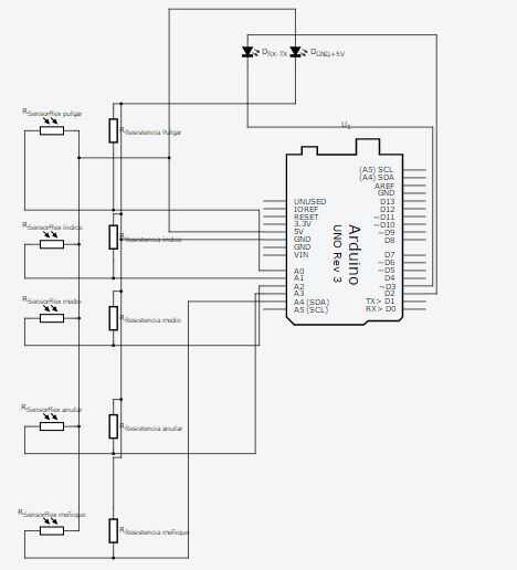
Cómo hacer un SensorGlove con conexión Android (4 / 9 paso)

Paso 4: Soldadura guante con placa de PCB

  1. Soldar los puentes rojo 5 en el mismo autobús y 2 puentes rojos como salida
  2. Un jumper negro con una resistencia y un Jersey verde de la soldadura como salida para el mismo lado de la resistencia (entre puente negro y resistencia)
  3. Soldadura de la resistencia 5 al mismo bus y 2 puentes negro como salida

Artículos Relacionados

Hacer música con la electrónica y dibujo

Hacer música con la electrónica y dibujo

Intro:Este es un proyecto muy simple y muy divertido protoboard.  Una vez que tengas todo que lo necesario no tardaron en montar.Sí, funciona!En realidad hice este proyecto una vez mientras hacía experimentos con el kit educativo de la protoboard lis
Hacer un quadcop con una cámara inalámbrica!!

Hacer un quadcop con una cámara inalámbrica!!

En nuestra infancia todos hemos visto planos y helicópteros volando en el cielo o en los dibujos animados y que todos en algún momento del tiempo queríamos hacer uno para nosotros. Así que ahora voy a hacer tu sueño realidad. Vamos a construir un qua
Artesanías de papel bricolaje fácil: Cómo hacer Origami cama con ropa de cama

Artesanías de papel bricolaje fácil: Cómo hacer Origami cama con ropa de cama

Siempre he tenido una fascinación especial de hacer DIY fácil proyecto de manualidades de papel y a aprender que cómo hacer Origami cama con ropa de cama ha sido mi primer paso en la Avenida. Una nave de papel de Origami cama para casa de muñeca es u
Cómo hacer un monopié con botella de Coca-Cola

Cómo hacer un monopié con botella de Coca-Cola

Usted puede hacer fácilmente un monopié para una pequeña cámara digital con una botella de plástico.Paso 1: ' Video y foto Instructables Paso 2: Este soporte le ayudará al camping, en el país o en casa. Paso 3: Es muy fácil hacer un monopié con una b
Hacer un ukelele con una navaja.

Hacer un ukelele con una navaja.

No se puede hacer un ukelele con una navaja que dicen.Usted necesita cientos de dólares de lujo herramientas y habilidades super especiales y materiales de lujo que dicen.También puede consignar esas opiniones al montón de chatarra de la historia. Es
Como hacer una BAZOOKA con un aspirador

Como hacer una BAZOOKA con un aspirador

https://www.youtube.com/watch?v=4ch4rLyxHgo&feature=youtu.bePaso 1: Hacer una BAZOOKA con un aspirador necesita!!!!!! En este video les mostraré una idea interesante de como hacer una bazooka vacío simple y creativo con una aspiradora en casa!Para la
Cómo hacer lindos llaveros con hilo azul envuelto colgante gato

Cómo hacer lindos llaveros con hilo azul envuelto colgante gato

¿Quieres diseñar tu propio llavero personalizado barato? Aquí voy a mostrar cómo hacer un llavero de gato precioso con alambre de aluminio azul. Este es un proyecto DIY fácil de 3 pasos para el adulto hacer con sus hijos. Vamos a ver cómo hacer el li
Cómo hacer aduana embalaje (con un cortador del laser)

Cómo hacer aduana embalaje (con un cortador del laser)

cómo hacer aduana embalaje (con un cortador del laser)Tengo una impresora de la pantalla... por necesidad más que por elección. Realmente soy un soñador con un toque de empresario. He sido serigrafía camisetas para mi marca "Rock and Ride" duran
Cómo hacer un PETARDO con una jeringa!

Cómo hacer un PETARDO con una jeringa!

https://youtu.be/bN59gq8rVV4Paso 1: Hacer tal PETARDO con una jeringa que necesita!!!!!! Seguridad a mano galletas de año nuevo para los niños!!!!!!Paso 2: Que no puede estar siempre seguro de un cracker en venta. Todas ellas contienen elementos piro
Hacer un anillo con CDs reciclados

Hacer un anillo con CDs reciclados

En este tutorial les mostraré una forma rápida y fácil para hacer un anillo con CDs reciclados!Puede utilizar cualquier CD para esto (como juegos antiguos o discos de música rayada). En este Instructable lo voy usando discos de datos antiguos que ten
Cómo hacer pegatinas personalizadas con Microsoft Word

Cómo hacer pegatinas personalizadas con Microsoft Word

en este Instructable mostrará cómo hacer pegatinas personalizadas con Microsoft Word. Muchas personas piensan que hacer adhesivos es un proceso lento, duro y costoso. En realidad, este proceso es simple y se puede hacer casi cualquiera. Incluso puede
¿Cómo hacer un maniquí con las medidas de su

¿Cómo hacer un maniquí con las medidas de su

son usted interesado en hacer su propia ropa, pero no quiero comprar un maniquí caro? ¿Tiene problemas para encontrar a un maniquí con dimensiones similares a su propio? Este divertido proyecto cuestan menos de $50 y que sólo toma un par de horas par
Cómo hacer velas votivas con arcilla | Home Decor Ideas

Cómo hacer velas votivas con arcilla | Home Decor Ideas

Cómo hacer velas votivas con arcilla | Ideas de decoración para el hogarEn este tutorial usted aprenderá cómo hacer velas velas para la decoración casera, usando arcilla en pocos pasos. Si no tienes el compuesto de epoxi se muestra, puede utilizar es
Simple con cuentas Pulsera patrones - cómo hacer un cristal con cuentas pulsera con un cierre de palanca

Simple con cuentas Pulsera patrones - cómo hacer un cristal con cuentas pulsera con un cierre de palanca

¿Buscar patrones con cuentas Pulsera simple? Así que suerte! Aquí quiero mostrarles cómo hacer una pulsera de perlas con un broche. No se vaya; ¡ una pulsera con cuentas de cristal fab te está esperando!Paso 1: Materiales necesarios en los patrones d