Paso 4: paso 4



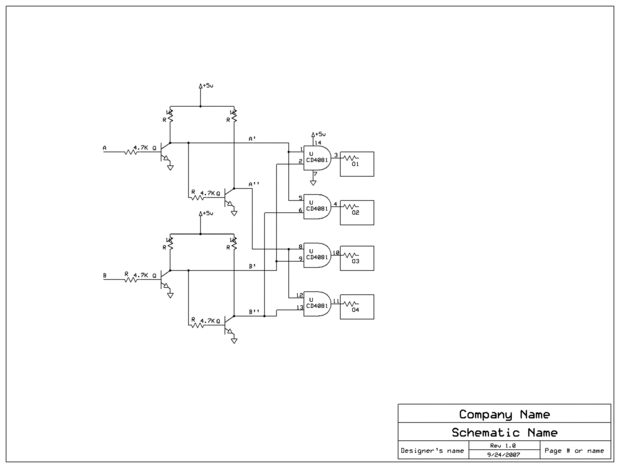
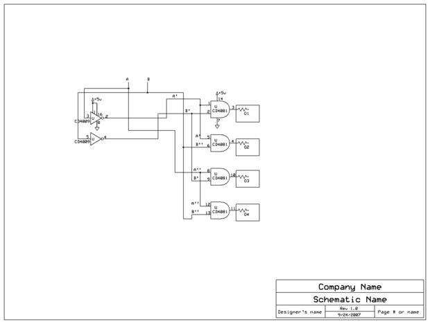
después de su y y no las puertas, (recomiendo usar virutas del IC, como 4081(AND) y 4009(NOT))
ellos ocupan menos espacio y ser más confiable.
el mío es un híbrido,
tiene 2 transistor no puertas con 4 transistores y una 4081 puerta y.
después de tener sus puertas listos, todo lo que haces es, volver, leer la teoría de cómo funciona esta cosa,
y el alambre para arriba. eso es todo.
Resumen es: invertir A y B, y luego combinar A, B, A', B' de manera que se adapte a sus necesidades
piezas que utilizan son:
(5) 1K resistencias de ohm ($?)
(4) 4,7 K resistencias de ohm ($?)
(4) 2N3904 NPN transistores ($0,35)
(1) puerta de entrada y 4081BE Quad 2 ($0,75)
(1) pequeña perf. Junta ($0,50)
esta cosa me costo sobre:
$2-$3
Este fue mi primer instructivo, y me temo que es desordenado y puede ser difícil de seguir, lo siento sobre eso
mi próxima voluntad instructable sobre mi tercer proyecto, manejar un motor paso a paso con solo 2 cables.
uno para el pulso, el otro para la dirección.
Usted puede combinar con la versión 6 de entrada del dispositivo explicado aquí y 64 motores con un puerto paralelo (en teoría :))