Cómo hacer un optoacoplador (2 / 4 paso)

Paso 2: Diagrama del circuito

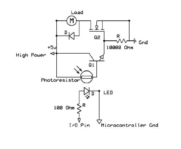
Este circuito utiliza un pin de I/O del microcontrolador para controlar una carga de alta potencia como un motor, sin correr el riesgo de daño a los delicados circuitos del microcontrolador. Así es como funciona: el microcontrolador se enciende el LED. Esto hace que la resistencia de la fotorresistencia disminuya lo suficiente para la corriente que fluye a través de ella de alta potencia para activar Q1. Q1 permite actual a fluir a la puerta de Q2, que es un transistor MOSFET de alta potencia. Esto proporciona a la carga con una conexión a tierra, por lo que la carga se enciende. Si la carga es un motor o cualquier forma de electroimán, no se olvide el diodo de rueda libre. Esto está conectada a través de la carga para evitar que el campo magnético destruir cosas cuando se enciende y se apaga rápidamente. El resistor de 10.000 ohmios está ahí para asegurarse de que cuando se apaga Q2, Lee una lógica cero. Sin esta característica, algunos transistores no deja de conducir la electricidad cuando se apagan. Tenga en cuenta que aunque he marcado el poder más elevado como 5 voltios, puede ser tan alta como su transistor permitirá sin la subdivisión. Estoy usando este circuito para cambiar los motores de una alta corriente, 5 voltios fuente de alimentación computadora. También me gustaría añadir que aunque había diseñado este circuito yo mismo, no ha inventado el optoacoplador, y probablemente hay un montón de soluciones similares por ahí.

Artículos Relacionados

Fuente de alimentación de alta tensión de 50, 000V

Fuente de alimentación de alta tensión de 50, 000V

DESCARGO DE RESPONSABILIDAD:Este es un proyecto extremadamente peligroso y sólo deben ser realizado por personas con experiencia en electrónica y concretamente, de alto voltaje. Si es la primera vez que buscan ayuda para su propia seguridad.Fuentes d
Hacking el mando Xbox 360

Hacking el mando Xbox 360

tan leer mi tutorial del controlador S Xbox, luego salió y trató de un controlador de 360 mod. Bueno, es un poco diferente.Aquí destaco las diferencias y le mostrará cómo obtener un microcontrolador para realizar diferentes funciones con el nuevo con
Hacer un simple optoacoplador.

Hacer un simple optoacoplador.

Trabajar una tarde tratando de crear un disparador lapso de tiempo para mi cámara, me di cuenta de que no tenía optoacopladores en mi cubo de piezas. Mi tienda electrónica fue cerrado por la noche, ¿qué hacer?Ser ingenioso ex roadie que soy (en mi op
Registro gráfico de 24V termostato eventos (optoacoplador + frambuesa Pi)

Registro gráfico de 24V termostato eventos (optoacoplador + frambuesa Pi)

Hay un montón de Instructables que muestran cómo hacer un termostato. ¿Pero lo que si ya tienes un termostato, y desea registro o monitor cuando da vuelta apagado y encendido? Este Instructable muestra cómo utilizar un optoacoplador para obtener volt
Arduino Nano y Visuino: medir la velocidad del Motor (RPM) con optoacoplador y Encoder de disco

Arduino Nano y Visuino: medir la velocidad del Motor (RPM) con optoacoplador y Encoder de disco

Al construir un coche de la robusteza, es importante controlar la velocidad de la rotación de las ruedas. Antes de que podemos controlar la velocidad sin embargo, necesitamos ser capaces de medirlo. Una de las maneras más populares y más fácil de med
Aislar los circuitos de tu arduino con optoacopladores

Aislar los circuitos de tu arduino con optoacopladores

Un optoacoplador, también llamado un fotoacoplador, aislador óptico o opto-isolator es un pequeño chip que transfiere las señales entre dos aislados circuitos utilizando luz. Un optoacoplador básico utiliza un led y un fototransistor, la más brillant
Cómo hacer una caja de madera!

Cómo hacer una caja de madera!

OK, por lo que este proyecto comenzado cuando un amigo mío me dijo que iba a hacer un tambor de la trampa de una antigua mesa y pensé, "Wow! ¿Cómo?" Me contó sobre tambores de madera y cómo se componen de segmentos individuales todas pegados en
Cómo hacer un podio

Cómo hacer un podio

Hey chicos, hoy estaremos diseñando y haciendo podio personalizado utilizando par de software 2D y 3D. Usaremos una máquina de CNC y madera MDF para hacer y construir nuestro podio.Este proyecto fue realizado por el equipo del FABLAB JubailPaso 1: re
Cómo hacer un casco de soldado de asalto

Cómo hacer un casco de soldado de asalto

En primer lugar, quisiera decir que casi no tengo experiencia haciendo cascos de pepakura, que, admito, es probablemente una de las peores maneras de empezar un how-to en la fabricación de un casco de pepakura. Dada mi falta de experiencia, estaba un
Cómo hacer un cuchillo Ulu de Alaska

Cómo hacer un cuchillo Ulu de Alaska

Hemos estado usando un cuchillo ulu en nuestra casa durante muchos años. El cuchillo y tabla para cortar en este tutorial se basa en uno que compramos en Alaska. Es una manera rápida y fácil para cortar frutas y verduras como la curvatura de las roca
Proyecto de artesanía de papel DIY: Cómo hacer papel multicolor pavo real para la decoración del hogar

Proyecto de artesanía de papel DIY: Cómo hacer papel multicolor pavo real para la decoración del hogar

Un interesante Proyecto de artesanía de papel de DIY puede consistir en una amplia variedad de fácil Hacer lo mismo papel Craft Ideas para hacer en casa. Este proyecto paso a paso tutorial con instrucciones sobre cómo hacer multicolor pavo real de pa
¿Qué se puede hacer de plátano?

¿Qué se puede hacer de plátano?

https://youtu.be/FWNsXNEN3SsPaso 1: Hacer una gelatina de plátano gomoso necesita! Lo que se necesita: - 3 plátano,-gelatina de kiwi (70g) + (300ml) de agua hervida-gelatina de naranja (70g) + agua hervida (300ml)-gelatina de frambuesa (70g) + agua h
Cómo hacer un lindo cable negro envuelto Cat Craft para niños

Cómo hacer un lindo cable negro envuelto Cat Craft para niños

Este proyecto de bricolaje fácil se envuelve sobre un cable negro lindo arte de gato. Sígueme para ver cómo hacer los oficios de gato de alambre envuelto.Paso 1: Materiales necesarios en DIY el lindo negro alambre envuelto manualidades cat:0,8 mm neg
Proyectos para niños: Cómo hacer un DIY 8 señaló la estrella Ninja

Proyectos para niños: Cómo hacer un DIY 8 señaló la estrella Ninja

Compañeros amantes Instructable! Yo traigo para ti un extraordinario Modelo de papel de Origami arte y aprender Cómo hacer una estrella Ninja puntas de bricolaje 8. Una idea de arte papel absolutamente fácil para los niños, para hacer, este Origami M