Paso 2: hacer!







Una vez que tienes las cosas es el momento de construir esto.
Ahora, en mi opinión la tarea más difícil que vas a hacer es arreglar el motor principal en la bicicleta que se mueve como se mueve la moto.
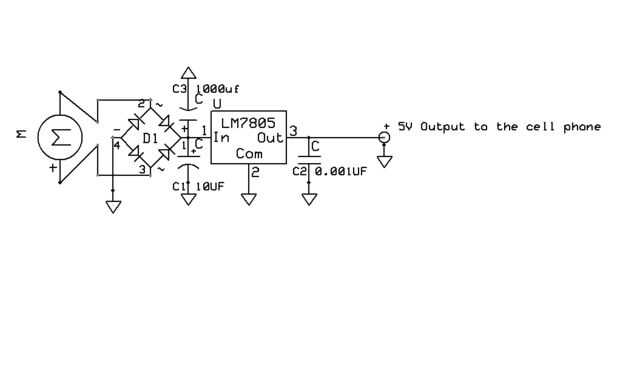
Si usted no quiere fijar el motor solo agarrar tu moto y pasar a una moto en el taller de reparación y estoy seguro que pueden fácilmente arreglar el motor fácilmente si va a hacer a usted mismo la mejor manera de hacerlo es mediante la soldadura del motor en la moto y coge un papel de lija y arena hasta que se convierte en liso y pintar las juntas de soldadura para hacer su bicicleta y el motor se parecen. la otra forma es agarrar algunas bandas de metal y la tuerca y tornillos así que de alguna manera puede firmemente lo bueno no te puedo decir brevemente porque depende de modelo de su bicicleta (la que he usado es buena moto es decir es potente y pesado a diferencia de los ciclos pequeños y de moderno también tenía uno o dos de ellos pero no son lo suficientemente potentes con respecto a éste). y diferentes maneras se pueden utilizar para solucionarlo. Eso es todo que puedo decir de fijación del motor...! Ahora wen haya terminado con el motor de la fijación tiempo de alambre si está usando una marca solo motor AC que está trabajando y tiene muchos terminales o cables viene de aguantan el motor y elegir cualquier dos terminales y lamer esos dos cables y girar del eje del motor lentamente hasta que sienta la corriente este es uno de lo método más rápido de la prueba y no es peligrosa hasta que usted gire el motor eje muy rápido (ahora no te confunda que sólo debes elegir cualquiera de las dos y continuar hasta obtener resultados positivos que es hasta que usted sienta la corriente). Ahora ya tienes las terminales sólo tiene que conectar dos cables con él para que el centro de poder no necesita estar demasiado cerca al motor ahora aquí viene la parte de electrónica. Ahora tienes que construir un simple circuito circuito y ponerlo en una caja. El circuito se da en la imagen de arriba. Si no está familiarizado con la electrónica de cualquier electricista y mostrarle este circuito que puede hacer fácilmente esto. Ahora cuando usted ha hecho el circuito poner en una caja y agarrar al conector de cargador móvil del teléfono celular tal vez usted puede conseguirlo viejo cargador de móvil o en radishack. Ahora conectar la potencia del motor a la entrada del centro de poder y no importa la potencia salida es AC o DC. Conecte la salida de 5V a la toma de entrada del teléfono y el lugar el poder concentrador donde que quieras o tal vez debajo del asiento. Aquí vas conectar la salida del cargador a su teléfono celular y empezar vendiendo abajo tú bicicleta y tu móvil comenzará mostrando la carga!