Paso 5: Sensores de contraste

Hay 2 rectángulos poco en el chasis para los sensores qrd1114. Encajan muy bien en su lugar, pero también puede Agregar pegamento en él para asegurarse de que es seguro.
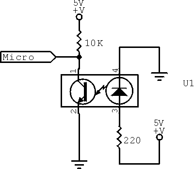
Conecte los sensores según el esquema.
Hay 2 rectángulos poco en el chasis para los sensores qrd1114. Encajan muy bien en su lugar, pero también puede Agregar pegamento en él para asegurarse de que es seguro.
Conecte los sensores según el esquema.