Paso 8: Conexión de LED




Antes de que podemos empezar a escribir código para controlar los LEDs, primero necesitamos saber donde exactamente cada LED se coloca en el PCB. Si nos fijamos en la foto #2, verá una serigrafía de la placa PCB. El LED exterior que componen la forma de la botella son todos los LEDs verdes. No podemos controlar estos individualmente, o bien podemos convertir todos o todos. Lo mismo ocurre con los diodos amarillos que conforman el limón en la parte superior de la botella. Ahora vamos a concentrar en su interior LEDs que son los LEDs azules que podemos controlar individualmente. En el esquema todos los LEDs están marcados de izquierda a derecha, parte inferior a manera de tapa.
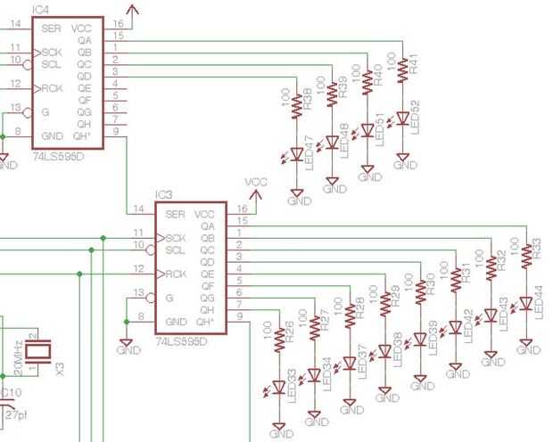
Ahora saber que LED para encender se necesita figura hacia fuera que LED se conecta a cual pin en que 74HC595. Lo tengo configurado para que si se cuenta en a la izquierda a la inferior derecha, a manera de top, cada 8 LEDs azul componen un 74HC595 IC. El azul de top 4 LEDs conectados a los 74HC595 4 (IC4) y utilice sólo la mitad de sus salidas. Aquí están las conexiones del LED para el 74HC595 1 (IC1), como se ve en la foto #3.
QH -> LED7
QG -> LED8
QF -> LED9
QE -> LED12
QD -> LED13
Control de calidad -> LED14
QB -> LED17
QA -> LED18
Los primeros 8 LEDs azul conectan al IC1, la siguiente 8 Conecte a IC2, el siguiente 8 Conecte a IC3 y el próximo 4 Conecte a IC4. Todos siguen el mismo formato que IC1 **. Ahora sé lo que estás pensando, "¿por qué no él alambre QA LED7 y QB a LED8 y control de calidad para LED9... etc. en su lugar para que todos vayan en una recta a través de la orden?" Parece un poco al revés ¿EH? Bueno la razón por la que decidí hacerlo de la manera lo hizo es porque hace mucho más fácil para el PCB. Asi que me hice más fácil para el hardware, pero ahora puede hacer el software un poco más difícil escribir (aún bastante fácil).
** IC4 realmente se conecta diferentemente, debo han puesto los cuatro LEDs en los bits 4 superiores no los 4 bits inferiores. No seguro por qué lo hice.