Paso 3: Conecte el tubo de Nixie




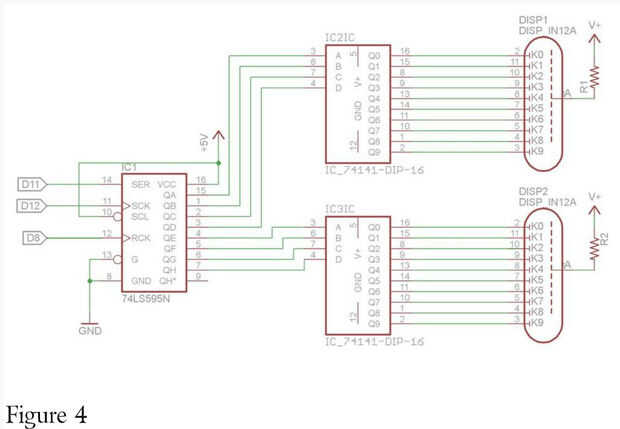
Una vez que se ha probado su tubo de nixie, conecte digital pin 11 al pin 4(D), pin digital 10 al pin 7, digital pin 9 al pin 6 y pin digital 8 a pin 3 en la viruta del IC SN74141. Conectar los 5v de Arduino al pin 5 del chip y tierra de arduino al pin 12 del chip. Conecte los cátodos del tubo Nixie a los pines correspondientes en el SN74141 y el ánodo del tubo de Nixie para 180vdc +. La viruta del IC tiene un binario de entrada en D, C, B, A y salidas el dígito correspondiente del tubo nixie. Baja, baja, baja, baja de 0. Bajo, bajo, bajo, alto para el 1 y así sucesivamente. Si usted desea conducir dos Nixies independientemente, se ocupará de 8 pines digitales del Arduino o podría usar un cambio de registro (ver figura 4) para utilizar sólo 3 pines con dos tubos de nixie. Para obtener más información sobre el uso de un registro de cambio con un tubo nixie, visite este instructable. Si utiliza un Arduino Mega, entonces usted probablemente no necesitará utilizar un registro de cambio. Usted puede alimentar el Arduino del extremo del convertidor 12v o puede utilizar una fuente de alimentación separada si usted quiere, pero no es necesario.