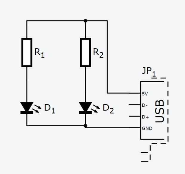
Cómo construir un juego teclado (4 / 12 paso)

Paso 4: Conectar los LEDs

Conecte el circuito a una computadora. Usando un medidor multi, compruebe que el cable se conecta a la placa de circuito para el cable de positivo y negativo. Usted debe obtener una lectura de 5V aproximadamente. Soldar un cable a cada una de las conexiones. Conectarse un LED y 100 Ohm resistencia de cada alambre de las resistencias no son en la foto (ver esquema). Se agregaron después de uno de los LEDs quemados]

Artículos Relacionados

Construir un juego de grúa grande

Construir un juego de grúa grande

cómo construir un cuarto entero juego de grúa.  Basado en el estilo arcade 'Grúa juego' o 'Garra Machine'.  Esto es una continuación de una anterior instructivo titulado grúa juego en el que hemos construido un juego de grúa de 2 ejes en un marco de
¿Construir un juego de GBA KVG soporte

¿Construir un juego de GBA KVG soporte

eres como yo? ¿Tienes más juegos de Gameboy Advance que sabe qué hacer con usted? ¿Desea intentar su mejor para mantener a estos juegos en buena forma? ¿Tienes KVG? ¿Es Bored?!Tal vez esto es una buena idea para usted!Este relativamente simple KVG ju
Construir un juego de ordenador, o aprender las partes básicas

Construir un juego de ordenador, o aprender las partes básicas

Mi hijo le encanta la tecnología, hemos construido un montón de proyectos juntos pero esta es su favorita. Este equipo de juego es su orgullo y alegría. Puede manejar todos sus juegos, streaming y grabación a las necesidades, los FPS es de primera cl
Cómo construir una juego de airsoft mapa/zona

Cómo construir una juego de airsoft mapa/zona

si usted sabe algunos desertaron o tienen su propia tierra que desee pasar un día de limpieza para arriba y crear su propia airsoft u otros arena juego de simulación militar. Este es un instructivo con algunos consejos sobre cómo sacar el máximo prov
Construir el juego de pelota de KVG

Construir el juego de pelota de KVG

Este es mi juego de pelotaconstruir(perdón por mi mala Inglés soy de Holanda)Este es un pequeño juego de pelota que nunca es aburrido y tiene un conteo bajo piezaencendiendo el equipo rojo el camino oscuro se muevedebes tratar de mantener la bola com
Cómo construir un juego de Jenga gigante

Cómo construir un juego de Jenga gigante

En este Instructable te mostraré cómo crear un juego de Jenga gigante de rápida y fácil y un maletín que también funciona como una plataforma para jugar al juego. Es una muy fácil y puede hacerse incluso con herramientas limitadas. Jenga gigante es s
Cómo construir un PC de juegos de azar de presupuesto (detallado, informativo)

Cómo construir un PC de juegos de azar de presupuesto (detallado, informativo)

¿Quieres hacer tu propio juego construido custom PC y estás en un presupuesto ajustado?Este Instructable cubrirá todos los aspectos en la construcción de la mejor posible Presupuesto Personal ordenador de sobremesa para juegos de azar.Voy leyendo ace
Construir juego Hellaflush deriva coches

Construir juego Hellaflush deriva coches

concurso para el Jack Daniel, usaríamos $25.000 para comprar y construir dos juego Nissan 240sx drift máquinas.Las piezas incluyen: actualizar Ksport suspensión, asientos Bride, Rotas p45r ruedas, diferencial de deslizamiento limitado Kaaz, modificad
Construcción de juegos retro moderno PC AMD Nintendo utilizando piezas nuevas y viejas

Construcción de juegos retro moderno PC AMD Nintendo utilizando piezas nuevas y viejas

OK, por lo que he leido muchos de los instructables aquí sobre la construcción de un PC utilizando una Nintendo NES como donante para el caso. Han construido muy pocos PCs en los últimos 10 años, pero estoy siempre buscando hacer algo un poco diferen
Hackear un teclado USB

Hackear un teclado USB

Cómo hackear un teclado USB o un teclado para ello. Enviar entradas a la computadora sin un microcontrolador molesto.Paso 1: Abrir el teclado Abierto el caso. Se puede utilizar un destornillador o una cualquier ridículo busca herramienta multiusos. A
HacKeyboard, un teclado mecánico construido desde cero

HacKeyboard, un teclado mecánico construido desde cero

Hola compañero 'instructablers'! En este instructable os lo presento un nuevo proyecto que he realizado solo. De hecho, estoy usando el mismo proyecto para escribir este instructable. Les presento a lo increíble, lo fantástico, los magníficos... HacK
Juego de carreras de la unidad de Arduino

Juego de carreras de la unidad de Arduino

Edit: Han pasado dos años desde este proyecto y artículo se hizo y mirando hacia atrás en todo... mi inglés no era bueno. Así que ha sido volver a trabajar el texto y añadido algunos más información!Yo y dos amigos tuvieron que hacer un proyecto para
Serpiente gigante juego controlador

Serpiente gigante juego controlador

El Milwaukee Makerspace fue seleccionado para mayo 2015 construir noche con Raspberry Pi y Adafruit. El Raspberry Pi 2 modelo B es más rápido que la generación 1. Con el aumento de la velocidad y el Sombrero de Perma-Proto de Adafruit para Pi Mini Ki
¿Pared aumentable de juego de mesa de diseño para el molino del CNC

¿Pared aumentable de juego de mesa de diseño para el molino del CNC

han ganado alguna vez una noche épica de juego de mesa? ¿Ha querido demostrar que la victoria en la pared de la sala de estar? Bueno, con este instructable, usted puede construir su juego de mesa para montaje en pared propia que será la envidia de tu