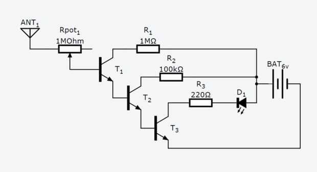
Cómo construir un Detector estático (1 / 2 paso)

Paso 1: El circuito

El circuito utiliza tres Transistores NPN para detectar una carga estática y encender o apagar un LED en consecuencia. Usé un potenciómetro de 1M ohm como una perilla de ajuste de sensibilidad.

Artículos Relacionados

Cómo construir un brazo robótico

Cómo construir un brazo robótico

actualización: https://www.youtube.com/watch?v=BILiuqRmLRIdesea construir el controlador de ir a la aquíel video:http://www.youtube.com/watch?v=N9z7OQLlhrEhttp://www.youtube.com/watch?v=jozshuI246o&feature=youtu.behttp://www.youtube.com/watch?v=onQIz
Construir un Detector de radiación de ionización de bolsillo (PIRD)

Construir un Detector de radiación de ionización de bolsillo (PIRD)

visita mi página de youtube para proyectos interesantes y más: http://www.youtube.com/channel/UCksEFn8xaLP0z4rsiHa9zcA?feature=mheeEn este instructable se manifestarán cómo construir un detector de radiación de bolsillo o "PIRD." Las piezas de e
Cómo construir un accesorio neumático rápido y fácil para Halloween

Cómo construir un accesorio neumático rápido y fácil para Halloween

hace un tiempo alguien publicada un instructable sobre un neumático de Halloween que "" fuera de una lata de residuos tóxicos.  Quería construir, pero no tengo ninguno de los equipos y soy algo frugal así que me puse a ver si yo sería capaz de r
Cómo configurar un servidor de archivos estáticos de Node.js

Cómo configurar un servidor de archivos estáticos de Node.js

Introducción a la construcción de un servidor de archivos estáticosConstrucción de un servidor de archivo estático es una forma muy fácil y rápida para alojar tu propia página web. Pasos 1-9 le ayudará a hacer todo el trabajo de fondo para ayudar a s
Apoyo estático de la motosierra!

Apoyo estático de la motosierra!

¿Por qué pagar dinero por uno cuando están prácticamente libres de hacer?¿He visto las versiones de "Juguete" y aunque tienen un chip de sonido, se ven un poco delgados, youknowwhatImean?Por lo tanto, para salvar a los vertederos de unas cuantas
Construir un cilindro neumático de

Construir un cilindro neumático de

necesitaba un cilindro neumático controlado electrónicamente por un proyecto que yo actualmente estoy diseñando. Miré en la compra de uno, pero resulta que están más allá de mi presupuesto. Mirando a través de la cochera me hizo pensar que podría ser
MakerBot Replicator construir plataforma altura magnético calibre

MakerBot Replicator construir plataforma altura magnético calibre

Me estaba poniendo bastante enfermo y cansado de usar el método del papel para ajustar la altura de la placa de mi replicador construir así que miré a mi alrededor para otra solución. Usando un calibrador de altura parecido una buena idea, así que aq
Construir un brazo robótico para la Olimpíada de Ciencias

Construir un brazo robótico para la Olimpíada de Ciencias

para aquellos que se esfuerzan por encontrarán las piezas correctas, intentando averiguar cómo ponerlos juntos, o tener dificultad con el código, este es el lugar adecuado! Este instructable es una documentación completa de la entrada de brazo robóti
Construir un Motor electrostático

Construir un Motor electrostático

este sitio ofrece información para la construcción de un motor electrostático de 2 botellas de refresco de plástico (pop). Para ver un vídeo del motor en operación, haga clic en el archivo "cap0001.mpg" a continuación. Paciente - es un archivo g
Construir un gallinero gótico (o casa de perro de la perrera o cerdo o...)

Construir un gallinero gótico (o casa de perro de la perrera o cerdo o...)

o cómo no construir un gallinero de curva catenaria.En 2007 rescataron 7 pollitos bebé de sacrificio de pollos salvajes en un parque local. Eventualmente ellos construyó un gran armazón coop-y-funcione, pero como eran en su mayoría corrales en nuestr
Cómo construir un Detector de partícula alfa chispa

Cómo construir un Detector de partícula alfa chispa

PRECAUCIÓN: Este dispositivo utiliza una fuente de alimentación de alta tensión y materiales radiactivos. Por favor, siga las precauciones apropiadas.Introducción:Me presentaron a partícula alfa detectores de chispa cuando vi un Youtube Video [1] por
Construir un Lego robótico Multigraph

Construir un Lego robótico Multigraph

¿No disfrutas construyendo y utilizando un robot que dibuja arte abstracto para utilizar en tus proyectos de arte y artesanía? El Lego Multigraph, aunque no tenido ninguna aplicación práctica, es divertido tanto para construir y operar! Se trata de u
Pantalla de tubo Nixie estático alimentado por batería

Pantalla de tubo Nixie estático alimentado por batería

He estado queriendo hacer algo con tubos Nixie hace algún tiempo, y logró encontrar algunos mientras rebuscando entre algunas viejas electrónica un amigo me dio un par de años atrás. Después de algunas investigaciones y pruebas un poco aquí es mis re
Cómo construir un alimentador automático de pescado

Cómo construir un alimentador automático de pescado

Este instructable fue creado en cumplimiento de la exigencia de proyecto de la Makecourse de la Universidad de South Florida (www.makecourse.com).Materiales necesarios:Arduino Uno R3Cables hembra a hembraProtoboardIIC LCD 1602Cable de IICReceptor IRM