Paso 9: pruebas... Pruebas...







Pruebas... Pruebas... 3... 2... 1... no se pudo...
Damm, brilla aún el LED, pero no es spinning!
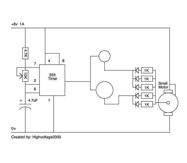
No tarda mucho tiempo hasta que encontré el problema, el cable flexible que está haciendo un contacto eléctrico en el anillo de cinta de aluminio exterior está causando forma de mucha fricción e impide que el motor de giro! Por lo que había hecho algunos ajustes en el cable flexible y que ahora está causando menos fricción y ahora puede girar el motor, pero un sistema de LED no es brillantes! Había mantenido haciendo ajustes en el cable flexible que está haciendo un contacto eléctrico en el anillo de cinta de aluminio exterior para más de 20 minutos, pero yo nunca puedo conseguir perfecto. Ojala que tuviera algunas arandelas gigantes... Así que dejé simplemente y retire el cable flexible que está causando problemas y conectar el anillo de cinta de papel de aluminio exterior para el anillo de cinta papel de aluminio interior con un pequeño trozo de alambre y cinta de papel de aluminio. También he modificado el circuito el oscilador del 555 temporizador, así que ahora ambos conjuntos de LED pueden ser controlados desde una salida negativa.
Después el problema, he probado la rueca luz arco iris otra vez y...
TRABAJA!!!!!! Ambos conjuntos de LED son brillantes y el motor está girando el carrete rápido... FUNCIONA!!!!