Cómo agregar tonos de llamada personalizados a un timbre inalámbrico (5 / 7 paso)

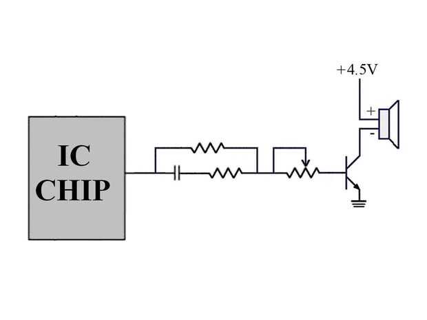
Paso 5: Preparar los cables del receptor

Las únicas partes del receptor que va a modificar son los cables que iban hasta el altavoz original. En primer lugar debemos determinar la polaridad del altavoz. Mayoría de los altavoces tiene sus terminales positivo y negativo marcados. Pero si no están rotuladas, usted tendrá que determinar esto examinando cómo se enganchan para arriba para la placa de circuito. En mi receptor, un cable de altavoz está conectado a la tensión de alimentación positiva (el cable rojo). Estoy llamando esta el cable positivo del altavoz. El otro cable del altavoz está conectado a los transistores de control de volumen. Esto pido el cable negativo del altavoz.

Corte el cable de positivo del altavoz como cerca de la placa de circuito como sea posible. Esto te deja con una pieza suelta de alambre. Tira por lo menos 1/2" de aislante de ambos extremos. En el cable negativo de la tira apagado por lo menos 1/2" de la aislación desde el extremo libre.

Artículos Relacionados

Cómo importar tonos de llamada personalizados.

Cómo importar tonos de llamada personalizados.

Hola: voy a mostrarte cómo importar tonos de llamada personalizados. Todo lo que necesitas es iTunes, una aplicación de editor de tono de llamada o cualquier otra cosa. Es bastante simple, pero puede conseguir difícil. Todos los pasos son en las sigu
Cómo agregar tonos de llamada y vídeos en un verizon vx8500 (también conocido como chocolate) de copia de seguridad gratis

Cómo agregar tonos de llamada y vídeos en un verizon vx8500 (también conocido como chocolate) de copia de seguridad gratis

esto le mostrará cómo construir un cable de carga/datos para el vx8500 (también conocido como chocolate) y cómo utilizar el cable para cargar tonos de llamada y copia de seguridad de videos v Cast comprados.Descargo de responsabilidad: no soy respons
Mi sistema de Audio personalizado con control remoto inalámbrico de playstation 2, LCD de 7" pulgadas con auriculares inalámbricos, LEDS, 5 Farad Capacitor

Mi sistema de Audio personalizado con control remoto inalámbrico de playstation 2, LCD de 7" pulgadas con auriculares inalámbricos, LEDS, 5 Farad Capacitor

este es mi sistema de audio de coche hecho personalizado diseñado y construido por mí.  Esto es una fibra de vidrio altavoces caja que hice usando un material de marco y el paño grueso y suave madera, fibra de vidrio cuanto, llenador del cuerpo y un
Haciendo un tono de llamada en un Galaxy Nexus de un YouTube video.

Haciendo un tono de llamada en un Galaxy Nexus de un YouTube video.

Modernos smartphones pueden hacer todo tipo de cosas interesantes, una de ellas es su capacidad para reproducir música. Los teléfonos han sido capaces de reproducir tonos de llamada personalizados durante años, pero ahora se puede hacer con cualquier
Poner tonos de llamada en un LG490

Poner tonos de llamada en un LG490

mi novia me dio su viejo celular que funciona bien excepto por el hecho la telus ha que windows tan apretados, trabados encima de teléfono es celoso, jaja. bueno en fin lo único que se puede poner tonos de llamada en él es descargándolos de telus par
Instalar tonos de llamada sin un plan de datos

Instalar tonos de llamada sin un plan de datos

estaba cansado de los $180 por cargo por año de un plan de datos para cada uno de mis celulares, les cancelé. Entonces descubrí pude hacer mis propios tonos de llamada mp3 gratis, subir a la red y descargarlos a mi teléfono. Luego me enteré de la cuo
Cómo hacer los tonos de IPhone personalizados

Cómo hacer los tonos de IPhone personalizados

IPhone xDxDxDPrimero descargue ITunes desde aquí >>> http://www.apple.com/itunes/Paso 1: Abra iTunes.Encontrar la canción que desea convertir en un tono de llamada.Escuchar la canción y encontrar la parte que desea utilizar.Anote los tiempos de a
Como configurar YouTube videos como tonos de llamada

Como configurar YouTube videos como tonos de llamada

Si te gusta el vídeo de YouTube, puede que desee descargar y guardar en su computadora. Incluso me preguntaréis cómo establecer vídeos como tonos de llamada! Sólo tienes que seguir a la siguiente guía.La herramienta que necesitas: descargar ahi free
Cómo hacer tonos de llamada Amr y Obtén en tu teléfono

Cómo hacer tonos de llamada Amr y Obtén en tu teléfono

soy el tipo de persona que constantemente cambia su fondo de escritorio, su fondo de PS3, y lo más importante en este caso, el tono de llamada de su teléfono móvil.  Este Instructable es un método que utilizo para hacer mis propios tonos de llamada.P
Cómo hacer un tono de llamada del iPhone con el iTunes

Cómo hacer un tono de llamada del iPhone con el iTunes

Como muchos usuarios de iPhone, siempre quiero establecer mi canción favorita como tono de llamada, pero parece que no soy capaz de cumplir con la tarea directamente en el iPhone. IPhone no reconoce un archivo MP3 como tono de llamada, así que tenemo
Añadir tonos de llamada a un teléfono de verizon lg vx5200 gratis

Añadir tonos de llamada a un teléfono de verizon lg vx5200 gratis

este tutorial le mostrará cómo crear y utilizar un cable de datos (y carga) para el lg VX5200 y cómo añadir tonos de llamada y descargar imágenes sin tener que pagar verizon. Esto sólo ha sido probado con un lg VX5200, pero puede funcionar con otros
Tonos de llamada IPhone DIY en Windows

Tonos de llamada IPhone DIY en Windows

Alguna vez se preguntó cómo hacer rápidamente tus propios tonos para el nuevo Iphone4 IOS en windows:Heres lo que necesitará1) audacity 1.3 Beta (puede convertir cualquier tipo de archivo de audio a cualquier otro tipo de archivo de audio... aplicaci
Cómo hacer tono de llamada de

Cómo hacer tono de llamada de

Cómo hacer tono de llamada de tu canción favorita para iPhone o Android. Es muy fácil hacerlo con la ayuda de libre servicio en línea el tono de llamada-converter.comPaso 1: Subir la canciónPor lo tanto, para convertir mp3 a m4r para iPhone ringtone,
Hacer tonos de llamada iPhone especial

Hacer tonos de llamada iPhone especial

usar Syncios para transferir películas entre mi iPad aire y pc. Suprisely, me parece que es un iPhone rightone así. Se puede convertir cualquier dato de audio en un tono de llamada de iPhone – cualquier parte de sonido de tu canciones favoritas, o in