Paso 6: Codificador rotatorio + Attiny 85




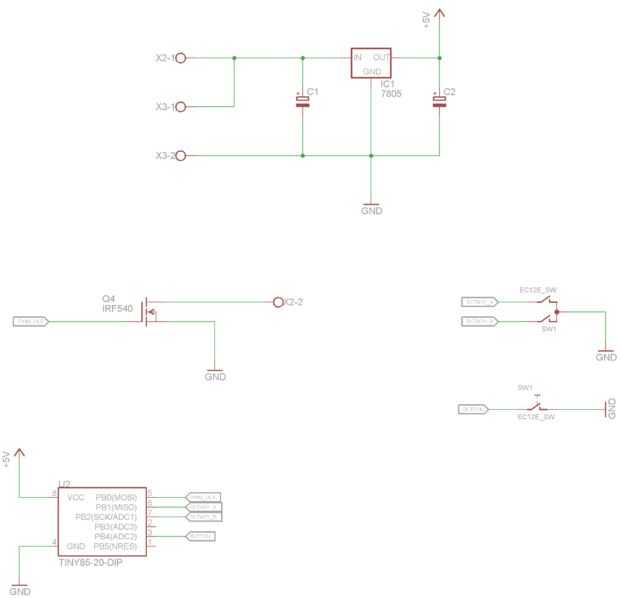
Subir el mismo código que antes pero el cambio de entradas y salidas. Diseñado un PCB del águila, y si usted quiere hacer el PCB, deberá utilizar las siguientes entradas y salidas
LED pin 0 (pin 5 del attiny)
codificador rotatorio pin A 1 (pin 6 del attiny)
pin de codificador rotatorio Bon 2 (pin 7 del attiny)
botón en el pin 4 (pin 3 del attiny)