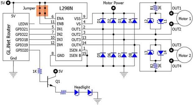
Coche de Control remoto controlado por Wi-Fi sin microcontrolador (14 / 22 paso)

Paso 14: esquema

Artículos Relacionados

Coche de control remoto TV

Coche de control remoto TV

nada es peor que perder el controlador que vino con su coche de control remoto. Reemplazar ese lechón con un arduino y el un control remoto que siempre parece estar en el control remoto de la TV!Paso 1: materiales Los materiales para este proyecto so
Coche de Control remoto con Arduino y Bluetooth

Coche de Control remoto con Arduino y Bluetooth

Este proyecto consiste en hacer un coche de control remoto mediante una conexión bluetooth. Este coche está destinado a ser utilizado en un globo hacer estallar la competencia contra otros coches similares. La conexión inalámbrica se consigue mediant
Añadir una cámara a su coche de Control remoto

Añadir una cámara a su coche de Control remoto

en este instructable le mostraré cómo agregar una cámara para su coche de control remoto. Puede utilizar esto como una espía o simplemente ver el mundo si estuviera ese pequeño.Paso 1: Materiales y herramientas Materialescoche control remotacámarapie
Reciclado de basura electrónica coche de Control remoto

Reciclado de basura electrónica coche de Control remoto

Estamos haciendo estos bricolaje kits de material reciclados. Son comoen el kit kits fabricante reciclados que son divertidos proyectos que hacen las personas que generalmente tienen tecnología y diodos emisores de luz (LEDs). Infórmate en www.gejcut
Cómo hacer un coche de CONTROL remoto 4 x 4

Cómo hacer un coche de CONTROL remoto 4 x 4

https://www.youtube.com/watch?v=a-rB7q6EmdM&feature=youtu.bePaso 1: Hacer un coche de CONTROL remoto 4 x 4 necesita!!!!!! Así que chicos ¿qué tal hacer un coche de control remoto DIY? en numerosas ocasiones, incluso cuando yo estaba empezando a graba
Ventilador del coche de control remoto

Ventilador del coche de control remoto

en este instructable le mostraré cómo poner un ventilador para la cpu en un coche rc eléctrico para mantenerlo fresco oh y por cierto este es mi primer instructable.Materiales: 9 voltios batería Conector control remoto coche Cpu ventilador batería de
Modificaciones del coche de Control remoto

Modificaciones del coche de Control remoto

Hola, este es mi primer instructable para que por favor sea amable en los comentarios, cualquier critica constructiva es muy bienvenida!Cuando vi la competencia de robot me inspiré y decidí modificar un viejo coche de control remoto que tenía, este i
Cómo hacer un coche de Control remoto de modificado para requisitos particulares

Cómo hacer un coche de Control remoto de modificado para requisitos particulares

en este tutorial voy a mostrar cómo hacer un coche de control remoto personalizable de prácticamente lo que quieras. Utilizará k-nex y algunos cartón pero también se podría utilizar Legos, piezas impresas 3d o un montón de otras cosas.Paso 1: Reunir
Núcleo de la chispa activa un arrancador del coche de control remoto por WiFi

Núcleo de la chispa activa un arrancador del coche de control remoto por WiFi

Arrancadores remotos en los coches son impresionantes! Caliente el coche durante el invierno y fresco durante el verano. ¿Es bueno tener un mando a distancia, pero lo que si quiere trabajar más lejos?En mi oficina, mi control remoto no puede llegar h
Paralaje BoE-Bot de Control remoto accionado por Afero

Paralaje BoE-Bot de Control remoto accionado por Afero

El BoE-Bot de Parallax es una gran plataforma para experimentar con la robótica, y cuando pensé en añadir un Modulo de Afero para proporcionar control remoto parecía una vinculación natural. Diseño físico del BoE-Bot haría fácil de añadir un Modulo,
Coche de Control remoto Lego (1997 Volvo 850)

Coche de Control remoto Lego (1997 Volvo 850)

Construye tu propio coche teledirigido de Lego! El video y las fotos de arriba cuentan con mi Lego Volvo, un modelo a escala 1:14 de uno de mis coches favoritos, el carro de finales de los 90 Volvo 850. Este instructable le mostrará cómo construir es
COCHE de CONTROL REMOTO un pedazo de pastel

COCHE de CONTROL REMOTO un pedazo de pastel

Hola todos en este instruir capaz. Le mostraré paso a paso instrucciones sobre cómo hacer simple rf(radio frequency) coche de RC (control remoto). Esto puede ser hecha por cualquier principiantes dentro de una horaDebatirán sobre el funcionamiento de
¿Instalación de Bluetooth multifunción coche Smart para Arduino controlado por teléfono móvil

¿Instalación de Bluetooth multifunción coche Smart para Arduino controlado por teléfono móvil

por lo que usted quiere hacer un coche smart? ¿No sabes dónde empezar? Por qué aprender con equipo de ICStation.El Arduino Bluetooth coche Smart tiene la función de seguimiento, evitación del obstáculo, control remoto por infrarrojos y Bluetooth remo
Bluetooth Arduino coche de Control remoto

Bluetooth Arduino coche de Control remoto

Fabricación de este coche no es que duro si tienes algún conocimiento en este tema y las partes + herramientas necesarias. Básicamente, este coche es controlado por una placa Arduino UNO. La conectividad con el dispositivo android es acumulación medi