Chasis de PC 84W LED crecen la luz (11 / 19 paso)

Paso 11: Circuito del conductor del LED

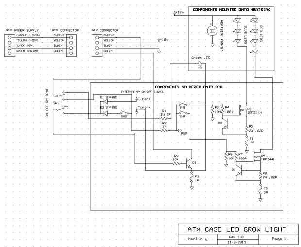
En este circuito, controladores de LED fueron utilizadas para cuatro cadenas de LEDs de color rojos oscuro y cuatro cadenas de LEDs azules real que eran las longitudes de onda de las plantas en crecimiento. Sólo dos cadenas fueron demostrados para simplificar el diagrama. SW3 controla los LEDs azul y SW4 controla los LEDs rojos que utiliza el + 12V raíles. El límite actual es de alrededor de 15A. Algunas fuentes de alimentación tienen dual + 12V carriles para una mayor producción! El + 5Vsb es durante la espera y permite que la luz verde utilizar en la noche. Las plantas no detectan la luz verde durante el día y es menos deslumbrantes para la visualización de sus plantas. Todos tres longitudes de onda de LEDs tienen sus fusibles.

Una fuente externa de 5V puede ser conectada a un temporizador 2 terminales para control de día. Algunas plantas dependen de horas de luz para la floración. Encender SW2 o suministro de 5V a través del conector de CC se convierte en Q1 que PG-ON los cortocircuitos a tierra.

En el archivo zip, he incluido los archivos de ExpressPCB con una muestra de impresión de la placa perforada.

Artículos Relacionados

LED crece la luz con Joule Thief pilas en un contenedor de jardinería de mecha para barato!

LED crece la luz con Joule Thief pilas en un contenedor de jardinería de mecha para barato!

Por lo que el título tiene muchas palabras, pero eso es porque este instructable combina muchas ideas de muchas fuentes. La idea general de lámpara de semilla de robomaniac energía escritorio combinado con} {crecen plantas con luces de picor LED inst
24 vatios LED crece la luz con Control de brillo

24 vatios LED crece la luz con Control de brillo

cultivo de alimentos es uno de mis pasatiempos favoritos ya que soy un gran fan de alimentos orgánicos y comida sana. Este Instructable le mostrará cómo construir una LED crece la luz con controles de brillo rojo/azul para adaptarse a sus crecientes
Una incluso más "fresco" LED crece la luz

Una incluso más "fresco" LED crece la luz

Hola a todos,.hoy en día nos pondrá juntos otro LED crece la luz. mucho más fresca una...enfriamiento crece luces siguen siendo el mayor problema, si HPS, CFL o LED. la mayor parte del espacio generalmente se destina a este problema con cualquiera de
Hacer un LED barato PAR luz seguro y tranquilo

Hacer un LED barato PAR luz seguro y tranquilo

He comprado algunos reflectores LED baratos para mi banda de e-bay. Se llamaba "4PCS 36 X 3W LED PAR etapa luz DMX-512 DJ iluminación COLOR estroboscópico AUTO de cambio". El precio era de unos 32 EUR / 1 luz. Lo arriesgado y me compró.Las luces
Fácil y barata led crece la luz

Fácil y barata led crece la luz

esta es mi versión del led crece la luz. el azul y el led rojo son buenos para estimular el crecimiento vegetal y el claro de todos los otros colores que el verde es para que la luz se vea claro en vez de azul y rojo como más led crece lucesPaso 1: m
#2 LED crece la luz

#2 LED crece la luz

3W rojo, amarillo, azul del LED crece la luz.Paso 1: MaterialDisco duro carcasa x 1pcAluminio barra de unos 40cmMadera de unos 30 cm1W LED rojo x 1pc1W LED amarillo x 1pc1W LED azul x 1pc3W LED coche tablero x 1pcRefrigerador x 1pcPaso 2: Base Una ca
100W LED antorcha Flash luz - impresión de diseño/3D

100W LED antorcha Flash luz - impresión de diseño/3D

Primero me topé con el concepto de hacer una antorcha muy potente (o luz de flash a nuestros primos americanos) de un YouTuber Matt Perks aka DIY. Propuso volver a un disipador de CPU y un marco de aluminio personalizados para hacer una mano increíbl
900 LED Panel de luz para Video y fotografía / / 360 grados de rotación

900 LED Panel de luz para Video y fotografía / / 360 grados de rotación

Así, paneles de iluminación LED profesional son costosos, es estúpido locos. Os presento con mi propia (y pronto su propio) panel de iluminación pro. Yo lo llamo pro porque no solo algunos LED cableado. Es 75 vatios de 900 LEDs blancos crujientes mon
LED anillo de luz para microscopios y Lupas

LED anillo de luz para microscopios y Lupas

mayoría de los microscopios, lupas ojo y comparadores ópticos no tienen la capacidad para proporcionar iluminación de la superficie superior del espécimen se han consultado.  Si desea examinar una placa de circuito impreso, usted tendría que utilizar
Hacer su propio reemplazo de bombillas LED para regular luz de las antorchas

Hacer su propio reemplazo de bombillas LED para regular luz de las antorchas

LED luz de las antorchas son muy comunes estos días, pero si le sucede que tiene una bombilla de filamento incandescente, basada en la tecnología de 100 años, aquí está tu oportunidad de tenerlo actualizado con LED que duran 8000 años! (si incandesce
$25 bricolaje tira LED crece la luz

$25 bricolaje tira LED crece la luz

Quería una luz brillante para ayudar a iniciar mi semillero en primavera. Existen dos variaciones a este proyecto, con un disipador de calor y otro sin. Las fotos son para la versión de disipador de calor ya que es lo que hice.PiezasTira flexible del
LED cinta de luz fría para quadcopter

LED cinta de luz fría para quadcopter

necesito algunas lámparas o cualquier luz para firmar la actitud de mi quadcopter.Causa es peligroso volar en la noche, no podía reconocer la actitud puede hacer que crash.Elegir la cinta led luz fría.Paso 1: Esta cinta es fina y suave, podría cortar
Control de color de un LED franja de luz un Arduino y un iPhone BLE

Control de color de un LED franja de luz un Arduino y un iPhone BLE

Este tutorial le mostrará cómo controlar una tira de luz LED RGB analógica a través de un Arduino y un dispositivo iOS. Utilizará la aplicación de espectáculo de luces que permite establecer un único color o crear un espectáculo de luces con una secu
USB powered LED crece la luz

USB powered LED crece la luz

nuevo diseño; La plataforma de la plantanuevo diseño; El brazo de la plantaHola mundo, (recuerde revisar nuevo prototipo subidas en mi perfil)mi primer instructable sobre aquí, así que por favor desnudo conmigo. la semana pasada realmente llegué a ta