Casero poste doble ajustable +/-27V alimentación hace de fuente de alimentación de ordenador (1 / 1 paso)

Paso 1: circuito

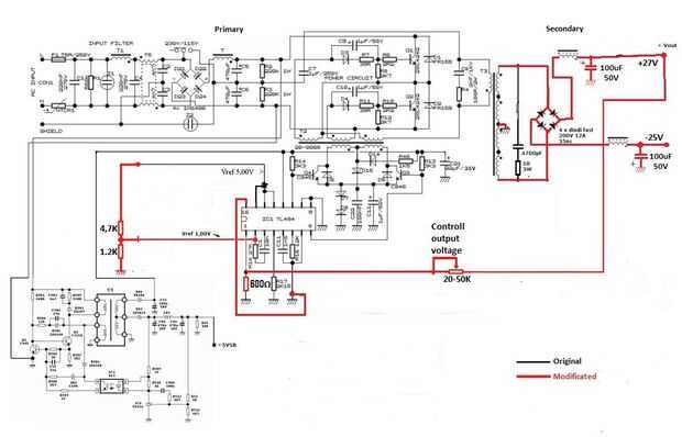
Este es el circuito que usé. Qué piezas no está en este circuito-necesitará desoldarlos.

Artículos Relacionados

Hacer un recargable doble voltaje de alimentación para proyectos de electrónica

Hacer un recargable doble voltaje de alimentación para proyectos de electrónica

batería recargable Mod un 9V para dar + 3.6V, tierra y - 3.6V.Usted podrá apreciar esta idea si alguna vez tuvieras que clobber juntos un montón de AAs o AAAs para conseguir un proyecto de trabajo.Este instructable fue significado para ser parte de u
Hacer una fuente de alimentación de alta tensión de 240V MOT con transformadores de 120V

Hacer una fuente de alimentación de alta tensión de 240V MOT con transformadores de 120V

me encanta jugar con MOT pero el interruptor sólo tengo para alimentar a los de él solamente nominal a 15 amperios, así que decidí ver si podía ellos una salida 240V Energía mi papá para sus soldadores y compresor de aire y efectivamente, funciona! A
¿Hacer una fuente de alimentación simple de 12 voltios

¿Hacer una fuente de alimentación simple de 12 voltios

han necesitado alguna vez una fuente de alimentación de 12 voltios que puede suministrar 1 amperio máximo? ¿Pero tratando de comprar uno de la tienda es un poco demasiado caro?Bien, puede hacer una potencia de 12 voltios de suministro muy barato y fá
Cómo delantera y poste doble crochet (FPDC & BPDC)

Cómo delantera y poste doble crochet (FPDC & BPDC)

Si alguna vez has visto FPDC o BPDC en un patrón, o se pregunta lo quesignificado... aquí está! Soportes para poste delantero doble Crochet y nuevo Post doble Crochet. Cuando haya terminado, es similar a la de punto y nervaduras en tejer de revés. Su
Reparar el cable de alimentación del ordenador portátil

Reparar el cable de alimentación del ordenador portátil

después de años de ser arrojado en bolsas de viaje, tropezar y literalmente arrastrado por la tierra muchos cables de alimentación del ordenador portátil sucumban ante el abuso y empiecen a fray.  Finalmente el cable se rompen y ya no poder su ordena
Fuente de alimentación de escritorio de fuente de alimentación de ordenador reciclado

Fuente de alimentación de escritorio de fuente de alimentación de ordenador reciclado

en este inescrutable le guiará a través de una fuente de alimentación de sobremesa de una fuente de alimentación de ordenador reciclado. En primer lugar de si te estás preguntando es una fuente de alimentación de sobremesa y lo que es utilizado para,
El cordón de alimentación de ordenador portátil roto de reparación.

El cordón de alimentación de ordenador portátil roto de reparación.

Fijar el cable de alimentación del ordenador portátil que no ha sido el suministro de energía constante para el mes pasado, y completamente muerto hoy. No importa cuánto que acarician la cuerda en esta posición o que, no cargar la batería ni encender
Cómo hacer una fuente de Bengala

Cómo hacer una fuente de Bengala

aquí es cómo hacer una fuente de luces de Bengala! Este es un divertido, pequeño proyecto pero tenga cuidado de verdad! Esto consigue que brilla intensamente rojo caliente, tan caliente que se derrita de aluminio. No hacer nada estúpido, y yo no soy
Cómo hacer una fuente de hielo seco!

Cómo hacer una fuente de hielo seco!

Hoy solo estaba bromeando con hielo seco y pensé que el vapor de hielo seco combinado con agua podría hacer una fuente. Pero ahora te presento... El hielo seco agua fuente v.1.0.P.D. Este es mi primer Instructable. (¡ Yay!)Paso 1: Obtener los suminis
Cómo hacer una fuente al aire libre

Cómo hacer una fuente al aire libre

hacer una fuente al aire libre de una maceta.Paso 1:
Cómo hacer una fuente de alimentación de alta tensión

Cómo hacer una fuente de alimentación de alta tensión

esta fuente de alimentación pone a 400 voltios máximo y se almacena en un banco de capacitores. La mía es 2820 uF. Se pueden utilizar más o menos condensadores.Construido originalmente para una pistola pequeña bobina de alimentación pero puede ser ut
Cómo hacer una fuente de alimentación de baja potencia de desechados reproductor de DVD

Cómo hacer una fuente de alimentación de baja potencia de desechados reproductor de DVD

¿Hartos de juntos grabando baterías o hacer tagliatelle de cables para proporcionar algunos voltios para su proyecto electrónico? Sí tienes!En vez de comprar una nueva fuente de alimentación (fuente de alimentación) por qué no utilizar un tablero de
Cómo hacer una fuente de alimentación de la placa USB

Cómo hacer una fuente de alimentación de la placa USB

He comprado muchos USB placa de alimentación del mercado, pero ninguno de ellos en mi tablero de pan. Razón de ser de dimensiones no estándar de protoboard. Los agujeros son 2,54 mm., pero el tamaño total es variable.Por lo tanto, decidí hacer uno po
Cómo hacer una fuente de alimentación de Molex

Cómo hacer una fuente de alimentación de Molex

esto es para mostrarle cómo usted puede hacer fácilmente un molex power fuente para tus discos duros / óptico unidades etc. con un adaptador DC 12V simplemente. Usted necesitará un par de cosas para empezar:-Soldador-Soldadura-Dos trozos de alambre-M