Caseras de incordiar un cosa (incordiar a tron) (2 / 4 paso)

Paso 2: meollo

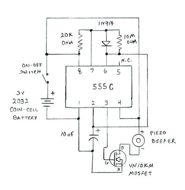
a continuación se muestra el diagrama del circuito. esperemos sea legible.

Si tienes un protoboard, endecha una primero y asegúrese de que funciona todo!

Lo siento AGH! Revisión esquemática 04/04/09(Papá de gracias)

Artículos Relacionados

ThinkGeek incordiar-a-tron 1.5

ThinkGeek incordiar-a-tron 1.5

el ThinkGeek incordiar-a-tron acaba de conseguir mejor! Ahora cuando descubre su presa obtener una agradable sorpresa.Esta hackeado incordiar-a-tron utiliza el componente impactante de thinkgeek chocante pluma a quien toca el incordiar a tron, lo que
Mejor que "el cuervo" o incordiar a tron... gratis!!!

Mejor que "el cuervo" o incordiar a tron... gratis!!!

Aquí te diré en 3 sencillos pasos sobre cómo utilizar el mosquito, un programa que es para tu celular telefon y no costo absolutamente ningún dinero!!!!!!(este es mi primer ible) :DPaso 1: Agarrar su teléfono celular En primer lugar, usted necesita s
Cómo coser un pez gato casa

Cómo coser un pez gato casa

sus gatos le encanta esto! Como comencé a coser juntos - es como si mis gatos sabían que estaba haciendo algo por ellos. Mi gato Tommy (en las fotos) amó el nuevo domicilio al instante! Ella estaba poniendo todo sobre el material incluso antes que co
Arduino "Molestar-a-tron!"

Arduino "Molestar-a-tron!"

yo he estado admirando incordiar-a-tron sobre en ThinkGeek por un tiempo ahora, pero yo nunca realmente quería comprar algo que sabía que podía desafío a mí mismo con edificio.  Aunque esto es en ninguna parte cerca como pequeña y discreta como el re
Abrir una cerveza con su llave de la casa! ¿

Abrir una cerveza con su llave de la casa! ¿

Perdió su llave de la iglesia?¿Sed de una cerveza?Utilice la llave de la casa! O cualquier cosa que quepa en las pequeñas muescas de la tapa de la botella.
Cosa caliente imitación de piel y paño grueso y suave cubierta

Cosa caliente imitación de piel y paño grueso y suave cubierta

Seeeeeeeeew WaaaaaaaarmAquí en la costa este ha sido bastante suave pero por fin ha llegado el frío! Con el frío viene bebidas calientes de la clase de chocolate (con malvaviscos), la chimenea de gas, siendo el lugar favorito para el gato como nosotr
Crear y coser una manga de Wacom Tablet Protector

Crear y coser una manga de Wacom Tablet Protector

soy una torpe de escritorio. Si hay un objeto pesado, líquido o partículas de alimentos al azar cerca de mí sin duda aterrizará en un objeto lo no tiene tocar negocios. Uno de los habitantes de mi amado escritorio es mi tableta de dibujo Wacom. Esto
Bolsillo lleno de cualquier cosa - evenToothpaste!

Bolsillo lleno de cualquier cosa - evenToothpaste!

Mi trabajo puede conseguir bastante ridículo. Algunas noches tengo que trabajar todo el día, toda la noche y la mitad al día siguiente... 30 horas seguidas. Sería bueno poder traer una maleta llena de cosas de casa. Pero si no cabe en mi capa o peeli
Nuevo correo electrónico de uso y una etiqueta de perro para obtener sus claves perdidas (y otras cosas).

Nuevo correo electrónico de uso y una etiqueta de perro para obtener sus claves perdidas (y otras cosas).

Todos odiamos perder cosas, pero las claves son un problema especial. De la materia como equipaje, puede poner una pequeña etiqueta con información de contacto y que el buscador le dará una llamada. Las teclas son diferentes. Por un lado, desea tener
Trampa de ardilla casera fácil (mantiene vivo)

Trampa de ardilla casera fácil (mantiene vivo)

esto es una trampa simple ardilla casera yo montada con cosas de mentira alrededor de la casa. trampas de ardillas muy bien y no matarlos. Se les pueden liberar en la ubicación de su elección. mal intenta publicar un video pronto. por favor voten por
¿PREPARANDO? Haz cosas útiles gratis para su taller, EDC, caja de herramientas, etc....

¿PREPARANDO? Haz cosas útiles gratis para su taller, EDC, caja de herramientas, etc....

                                                                   Hello crew, thanks for stopping in!Aquí es una punta para conseguir algunos artículos pequeños, pero útiles gratis desde un lugar más que probable que has visitado de todos modos. Una
Cómo hacer un Pick de guitarra en casa

Cómo hacer un Pick de guitarra en casa

bueno hay este es mi primer tutorial en insuperable. Basado en cómo hacer guitar pick en casaPaso 1: Cosas necesarias necesita * una vieja abandonada CD o alguna lámina de plástico (eg. - tarjeta de débito) * tijeras * un pedazo de papel de lijaPaso
12 divertidas bromas de coche

12 divertidas bromas de coche

aquí está una lista de algunas buenas ideas para el coche relacionadas con bromas. Hacer estas bromas bajo su propio riesgo, por lo que no me grita si no vaya lo plan de.Paso 1: Escape silbato Un silbido del escape es muy simple, pones en el tubo de
Jammer RF

Jammer RF

caos crear RF con un bolsillo tamaño jammer! Confundir a amigos y molestar a los niños. Su la emisión del RF.¿Qué es una emisión?DEF: jam 7. ' A interferir o impedir la recepción clara (de señales de radiodifusión) por medios electrónicos.' - http://