Cargador solar DIY para linternas de cargador de teléfono móvil. (6 / 9 paso)

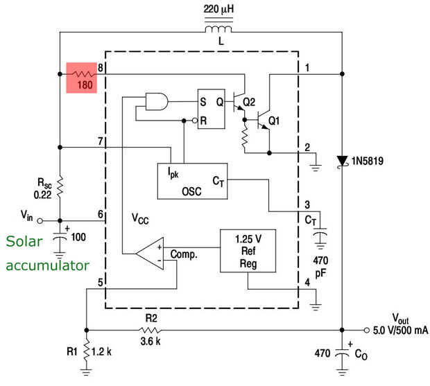
Paso 6: Modificar esquema paso por MC 34063

Artículos Relacionados

¿Cómo obtener una fuente de alimentación ininterrumpida de 5.3v de un cargador de teléfono móvil también conocido como cómo hacer un adaptador de 5.3v?

¿Cómo obtener una fuente de alimentación ininterrumpida de 5.3v de un cargador de teléfono móvil también conocido como cómo hacer un adaptador de 5.3v?

Si tienes un cargador de teléfono móvil puede hacer fácilmente un adaptador de suministro de baja tensión. Tengo un cargador NOKIA AC-2N y su producción es de aproximadamente alrededor de 5.3v. Puede utilizar cualquier cargador de teléfono móvil pero
Cargador del teléfono móvil de la motocicleta

Cargador del teléfono móvil de la motocicleta

It´s tal vez no mucho, pero ha funcionado muy bien para mí.Paso 1: Obtener un cargador de coche teléfono móvilPrimero necesitas encontrar esta cosita, una vez you´ve lo que podemos empezar a construir nuestro cargador. Cualquier cargador de coche V 1
Hacer tu propia lámpara de cristal de sal de Himalaya de un cargador de teléfono móvil

Hacer tu propia lámpara de cristal de sal de Himalaya de un cargador de teléfono móvil

este artículo muestra cómo puede hacerse una bonita lámpara de cristal de sal Himalaya de algunas piezas baratas y un cargador de celular viejo.Siempre se puede encontrar la última versión de este instructable en mi sitio en http://8el.eu/2010/08/him
Cable USB del cargador del teléfono móvil

Cable USB del cargador del teléfono móvil

tengo un recientemente se trasladó a los Estados Unidos, pero mi cargador de teléfono móvil tiene un enchufe británico. Por lo tanto he utilizo un adaptador, que hace todo muy engorrosos de llevar. Como siempre tengo alguna salida USB como mi portáti
Cargador del teléfono móvil portátil usb V2

Cargador del teléfono móvil portátil usb V2

Hi instructable espectadores!En este tutorial voy a mostrarte cómo hacer portátil usb cargador del teléfono móvil V2Su muy sencillo y te costará sólo 2$Tan lista de piezascargador de usb de coche de 12V (pequeños mejor)conector de la batería de 9VDes
Cargador de teléfono móvil de Nutella

Cargador de teléfono móvil de Nutella

Este es un cargador de teléfono de Nutella!Paso 1:
Estación de carga para un controlador de NES teléfono móvil!!!!!!

Estación de carga para un controlador de NES teléfono móvil!!!!!!

Acaba de terminar mi propio NES regulador celular y es la cosa más cool nunca!!!!!! Lo único que falta es un fresco de carga dock, así que aproveché a mi mismo para hacer uno.Paso 1: partes La base es una paz especial que se utiliza en algunos de los
Cargador del teléfono móvil WiFi DIY

Cargador del teléfono móvil WiFi DIY

Por Mithru Vigneshwara, tecnólogo creativoLista de la compra1. 12V adaptador de paredhttp://www.seeedstudio.com/Depot/Wall-Adapter-powe...2. inalámbrica módulo de cargahttp://www.seeedstudio.com/Depot/Wireless-charging...3. USB A hembrahttp://www.see
Construir un cargador de teléfono móvil oculto de Qi!

Construir un cargador de teléfono móvil oculto de Qi!

Muelles de teléfono son caros y específicos para cada plataforma. Cables de carga son molestos y antiestéticos. Cargadores inalámbricos aliviar algunos de estos inconvenientes, pero dejan a un montón de polacos que desear. Me puse a eliminar todas es
Hacer un cargador de teléfono móvil!

Hacer un cargador de teléfono móvil!

En vez de comprar un cargador inalámbrico caro, usted puede hacer su propio para menor costo siguiendo este inescrutable!Piezas necesarias:Módulo receptor inalámbricoBobina de cargador inalámbricoCaja del teléfonoHerramientas necesarias:TijerasCintaP
Caja de guante Gadget Mini cargador del teléfono móvil

Caja de guante Gadget Mini cargador del teléfono móvil

aquí es un instructible pongo juntos que es muy práctico y portable. También va a enviar a los gadgets de la guantera de concurso ya es donde guardo mis para la emergencia. Si me olvido de conectar mi celular en el camino y tengo que parar en algún l
Cargador de teléfono móvil de la batería

Cargador de teléfono móvil de la batería

cargar su teléfono en cualquier parte del mundo con este cargador impresionanteQue te diviertasPaso 1: materiales Para hacer este cargador necesita los siguientes elementos1. el cargador de repuesto o usb2. cartón3. interruptor4. un muelle de batería
Como hacer cargador de teléfono móvil de la bicicleta

Como hacer cargador de teléfono móvil de la bicicleta

p.hex32 {color: rgb(100,100,100); font-family: consolas; font-weight: 200; font-size: 15.0px;}Hola amigos,Esta vez vengo con un cargador de bicicleta simple pero útil.Carga de su teléfono celular mientras voy en bicicleta y todo esto usted puede hace
Cargador de teléfono móvil

Cargador de teléfono móvil

mi esposa consiguió recientemente el LG Lucid. Mucho para nuestra consternación, duración de la batería había desaparecido por sobre 3-4 en la tarde de un full carga esa mañana. Le encanta el teléfono, sin embargo, así que pensé que un cargador de ba