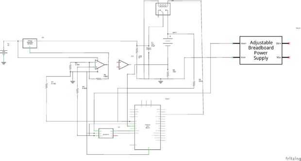
Paso 4: circuito





La idea básica es medir la corriente de carga y ajustar el voltaje del regulador hasta que alcanza la corriente deseada. Corriente medido mediante la medición de caída de tensión en la resistencia de sensado de corriente R5. I = V/R
SparkFun I2C DAC Breakout - MCP4725 - 12 bits de digital a analógico convertidor usado para controlar la tensión. Cam de voltaje de salida se configura a través de I2C entre 0 y 5V.
Porque tenemos que ser capaces de ajustar el voltaje en el rango más amplio, de 0 a 15V amplificador operacional LM358 usado para amplificar la tensión de salida del DAC. Amplificación del amplificador operacional por resistores R4 y R3. GAIN=1+R4/R3=1+6800/3300=3.06 tan salida de voltaje del amplificador operacional aproximadamente 0 a 15V
Corriente de salida máxima del LM358 es 50mA, LM317 regulador de voltaje ajustable solía controlar corriente más alta. Salida de amplificador operacional conectado al terminal de ajuste del LM317. LM317 mantendrá 1.2V entre ADJ y las terminales, para que tensión de corriente de batería se puede configurar entre 1.2 y 16.2V.
LM317 necesita corriente para mantener la regulación de mínimo 3.5mA. Resistor de 1kOhm R6 solía garantizar una regulación si no conecta la batería.
C1 condensador utilizado para filtrar el voltaje de salida y mejorar la estabilidad del LM317.
Voltaje medido en dos puntos diferentes.
1. resistor R5 conectado al pin A2 de Arduino. Tensión medido de la resistencia y de corriente de carga calculado como Icharging = V/R
2. voltaje de la batería puede estar hasta 16.2V, divisor resistivo R1, R2 usado para tensión inferior a 5V, permitido por Arduino. Salida del divisor conectado al pin A0 de arduino. Para R1 = 5.1 k ohmios y R2 = 20kOhm Vout = Vin / (20000 + 5100) * 5100 = 0.2 para voltaje de la batería dividido por 5.