Carga inalámbrica de dispositivos/órganos, extremidades Bionic (1 / 10 paso)

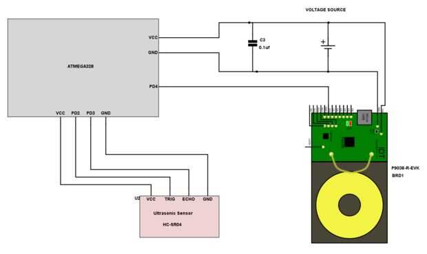
Paso 1: Transmisor y receptor circuito diseño

A continuación se muestra el diagrama de bloques del transmisor de Schemeit:

El diagrama de bloques del transmisor de Schemeit

A continuación se muestra el diagrama de bloques del lado receptor de Schemeit:

El diagrama de bloques del lado receptor de Schemeit

Artículos Relacionados

Añadir carga inalámbrica controlador de PlayStation 3

Añadir carga inalámbrica controlador de PlayStation 3

Este hack consiste en abrir el dualshock 3 y comprar una parte de Walmart para ~ $30. Bueno, le he advertido sobre la parte mala, ahora, a los negocios.Paso 1: Compra de suministrosUsted necesita comprar una estación de carga inalámbrica por i-CON. C
Añadir carga inalámbrica a su teléfono inteligente

Añadir carga inalámbrica a su teléfono inteligente

hoy más y más smartphones soporte de carga inalámbrica, ya sea fuera de la caja o a través de una actualización de hardware disponible (especial contraportada). pero no hay ninguna razón por qué otros USB cargado dispositivos no deberían disfrutar de
Carga inalámbrica Bluetooth

Carga inalámbrica Bluetooth

Basado en el módulo Bluetooth HC-05 o Escudo de Bluetooth, Bluetooth inalámbrico subir es una manera de bajo costo para los usuarios de Arduino lograr cargar programa celular, mientras tienes el módulo Bluetooth HC-05 y Placa de Arduino UNOo Arduino
Arduino Bluetooth programación escudo (código de carga inalámbrica)

Arduino Bluetooth programación escudo (código de carga inalámbrica)

Este proyecto le mostrará cómo hacer un código de Arduino de carga inalámbrica de tu ordenador via Bluetooth.Paso 1: Paso #1: protoboard el circuito de instalación del módulo de Bluetooth. •El módulo de Bluetooth utilizado en este proyecto es el HC-0
Programa de carga inalámbrica para Arduino sin cable USB

Programa de carga inalámbrica para Arduino sin cable USB

Programador de Arduino Wireless está diseñado para cargar el programa desde tu PC/laptop a Arduino board solo por Bluetooth.Ahora que puede actualizar el programa a las placas Arduino que incluida en la caja o estuche sin ningún gato del usb, usted n
Corazón impresa 3D + carga inalámbrica

Corazón impresa 3D + carga inalámbrica

Estaba buscando un bonito San Valentín presente algo original, más el cargador inalámbrico de Qi se ve tan aburrido. actualización: nueva base!!!!!!Paso 1: Lo que se necesita1) soldador de2) termocontraíbles3) pistola de pegamento caliente4) taladro
Baja potencia inalámbrica de carga

Baja potencia inalámbrica de carga

Hola y Bienvenidos a mi primer instructivo!Voy a mostrarte cómo hacer tus propios circuitos de carga inalámbricas de baja potencia que te permitirán pasar electricidad a través del aire (o cualquier otro medio no metálico) en distancias cortas. Esto
Desconcierto del tesoro abre usando twitter y energía inalámbrica

Desconcierto del tesoro abre usando twitter y energía inalámbrica

Un regalo sorprendente! Mi "víctima" se da tres cajas:Una caja muy pequeña encerrados con cadenas y un candado.Una pequeña caja cerrada con ningunos bolsas de exterior, que está cerrada y tiene una tapa superior reflexiva.Una gran pirata-y la ca
¿Galaxia nota 2 (Verizon / I605) inalámbrica de carga Mod

¿Galaxia nota 2 (Verizon / I605) inalámbrica de carga Mod

tan Verizon salió y destruyó sus sueños de alambre libre de carga al dejar los conectores de carga inalámbricos perfectamente buenos y encubrir con el plástico? sí, yo también. Así que me fijo, y te voy a mostrar cómo lo hice.Estas instrucciones que
10 dispositivos cool para ir con su sistema de cámara de seguridad inalámbrica

10 dispositivos cool para ir con su sistema de cámara de seguridad inalámbrica

¿Desea aumentar su sistema de cámara de seguridad inalámbrica con algunos otros artilugios que ayudarán a impulsar seguridad hogar u oficina? Aquí hay un par de sugerencias poco ingeniosos que te vaya bien con su sistema de cámaras de CCTV:Paso 1: An
Batería herramienta inalámbrica USB cargador de

Batería herramienta inalámbrica USB cargador de

Hay un montón de cargadores de baterías de alta capacidad disponibles para comprar y sin duda son una buena idea. No desean ser capturados con un teléfono muerto durante un apagón. Sin embargo en lugar de comprar uno de estos dispositivos ¿por qué no
Transmisión de energía inalámbrica

Transmisión de energía inalámbrica

Energía inalámbrica transmisiónHay varias formas de transmitir energía sin cables. Algunos de ellos son --> inductivo acoplamiento: este tipo generalmente tiene un corto alcance y que utilizan bobinas de alambre como antenas. Este tipo de transmisión
Electricidad inalámbrica funciona Horrible Halloween Prop

Electricidad inalámbrica funciona Horrible Halloween Prop

Hola, Halloween día 2015 se está acercando por lo que era me espere un mes y decidió hacer de proyecto de Halloween y los proyectos me hizo prisa y yo habíamos hecho la calabaza que se ilumina a sí mismo a llevar más cerca a su botón power sin cualqu
Detector de energía y aprovechamiento de la energía inalámbrica de microondas

Detector de energía y aprovechamiento de la energía inalámbrica de microondas

DescripciónEste artículo describe cómo construir un dispositivo inalámbrico de cosechando que captar la energía perdida de 2.5GHz de un horno de microondas y convertirlo en un voltaje usable que se encenderá una luz roja diodo (LED). Aficionados pued