Calabazas de madera apilable (12 / 18 paso)

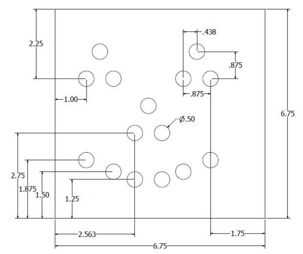
Paso 12: Caja grande

El diseño es el mismo que la caja pequeña. Seguir las indicaciones anteriores y las dimensiones que se muestra en este paso.

Artículos Relacionados

Calabazas de madera

Calabazas de madera

es Halloween y qué mejor decoración para decorar el porche de una calabaza, pero no cualquier calabaza una calabaza de madera.Paso 1: corte Este es mi primer proyecto que he hecho en mi cobertizo nuevo no es el mejor de los sentidos no tengo una sier
Olvidar el plástico! -Cajas de madera apilables

Olvidar el plástico! -Cajas de madera apilables

¿Cansado de mirar esas cajas de plástico feas? Lo hice, así que hice estas cajas en Techshop! www.techshop.wsHice estos para organizar mis calcetines (jeje, sé un poco TOC aquí) pero me encanta cómo complementa mi armario. Está hecho de madera dura c
Vegetales cajas recyled madera apilable felices comiendo

Vegetales cajas recyled madera apilable felices comiendo

cajas de verdurasdel cajón de embalaje recicladoDanny, un amigo mio, vio algunas bandejas poco profundas había hecho y le preguntó si le haría algunos vegetales para ir en su cocina. Él dijo que quería algo que podría crecer viejo agraciado y cuatro
Montaje del coche personalizado para tu smartphone

Montaje del coche personalizado para tu smartphone

archivos Cad están disponibles aquí: http://www.thingiverse.com/thing:24315No dude en modificar el diseño para adaptarse a su teléfono particular o coche._________________________________________________________Así, recientemente compré un Galaxy Not
Cómo hacer una caja de almacenaje apilable de madera

Cómo hacer una caja de almacenaje apilable de madera

se trata de una presentación rápida para hacer una caja de almacenamiento apilable de madera (cajón). Para las direcciones completas, revisa mi detallado instructivo. Disfrutar
Hacer un tótem de calabaza en menos de 2 horas

Hacer un tótem de calabaza en menos de 2 horas

este conjunto de instrucciones le enseñará cómo hacer una decoración de Halloween única. El Tótem de calabaza es una actividad divertida y fácil para amigos y familias a hacer para Halloween.Si no tienes un patio o no quiere hacer un gran tótem, simp
Básico Modular múltiples marcos para bicicletas de carga - corte del laser hermético apilable cajas

Básico Modular múltiples marcos para bicicletas de carga - corte del laser hermético apilable cajas

Los marcos múltiples básicos para bicicletas de carga es el primer bloque de edificio en nuestra plataforma de código abierto Vélo M², un ecosistema donde ofrecemos la electricidad solar y energía del pedal y los planes de construir módulos a su imag
Guirnalda de calabazas Pom Pom

Guirnalda de calabazas Pom Pom

Pom pom es igual a partido, simple y llanamente. Por eso estoy tan emocionado de esta manera DIY super fácil de hacer hilo largo guirnaldas de pom pom de calabaza que son adaptables para cualquier ocasión! Había visto un tutorial en alguna parte en l
Cómo hacer un carro de calabaza encantado

Cómo hacer un carro de calabaza encantado

Si no tienes un ferry Madrina como Cenicienta que usted puede hacer su propio carruaje calabaza y éste durará toda la semana - no sólo hasta la medianoche.Algunos accesorios impresos 3D pueden girar a un ordinario Halloween en y extraordinaria calaba
Hom hecho puré de calabaza y una receta usando!

Hom hecho puré de calabaza y una receta usando!

Hola a todos,¿Todos sabéis que crecimos 3 diferentes tipos de calabazas el año pasado, sí? Hemos crecido 3 grandes calabazas de Musque de Provence (Cucurbita Moschata) y la más pequeña, fue 5,2 kg! Uno de los más grandes de corte abierto ayer. Éste e
Catapulta calabaza portátil

Catapulta calabaza portátil

#next_pages_container {ancho: 5px; hight: 5px; posición: absoluto; top:-100px; izquierda:-100px; z-index: 2147483647! importante;}Construí esta catapulta (realmente un trebuchet) basado en un artículo de revista que William Gurstelle.  Funcionó muy b
Impresión 3D madera: zapatos de encargo

Impresión 3D madera: zapatos de encargo

Con un cortador láser y conglomerado, podemos hacer madera dura compuesto para construir zapatos personalizados.Antes de comenzar a construir, se necesita:1. un modelo CAD de la última u otro objeto que gustaría hacer. Último diseño de costumbre es u
Simple cajón de madera

Simple cajón de madera

este es un tutorial muy fácil para un cajón de madera barato. Hace un gran regalo o almacenamiento apilable peso ligero!Por baratos me refiero R150 en África del sur. Eso es cerca de $15 en los Estados Unidos. Concedido no tengo ni idea Qué costes de
27 ante calabaza giratoria

27 ante calabaza giratoria

me gusta tallar calabazas para Halloween (ironman, deathstar), pero hay tantas tallas impresionantes, que este año necesitaba algo diferente.  Decidí hacer 3 lados, 3 nivel, arduino controló calabaza giratoria.  Creo que me da 27 caras calabaza en un