Paso 4: Cableado todo.




Así que sigue estos sencillos pasos y usted debe hacer este trabajo como un encanto!
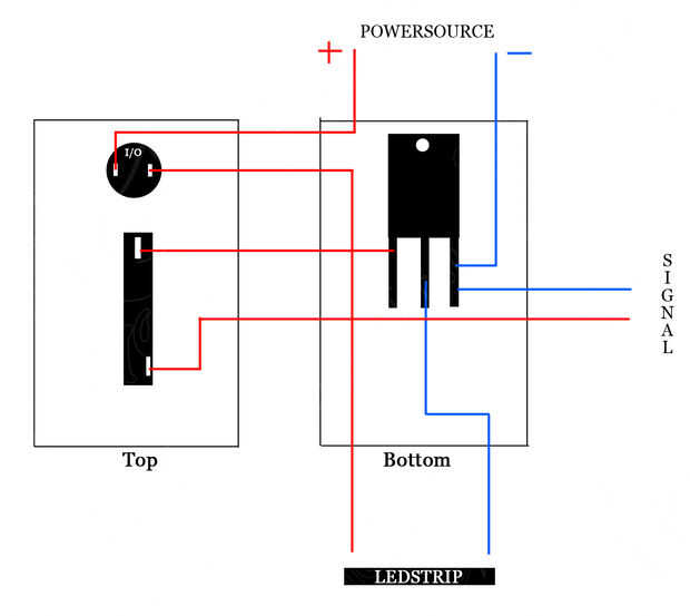
- Primer cable pasa a través de la caja de la esquina superior izquierda al interruptor I/O (este es el cable que pusiste en la + piscina en la batería)
- Desde el interruptor del agujero inferior de la izquierda. Cortar aquí, es donde se conecta el LED.
- Los colectores de alambre puesto a través del agujero inferior de la derecha. (Pin de media) Es donde conectas el LED del otro cable.
- Arrastre un cable del del emisor (eje derecho) en el orificio superior derecho, se trata de la piscina negativo en la batería o el powersource.
- Arrastre el otro cable en el lado de la caja del del emisor. Se trata de la negativa para el audiosource. (aunque es AC "no es ningún negativo")
- El alambre final es de la base (eje izquierdo) esto va para el potenciómetro.
- Luego, desde el potenciómetro hacia fuera por el agujero lateral.
No te olvides de soldadura todo en su lugar.
Puede utilizar pegamento caliente para fijar los cables en los agujeros para que pueden durar unos tirones y no se rompen.