Paso 4: Vga a compuesto.

Nunca podría llegar a trabajar con nuevos sistemas. Usted realmente necesita un conductor especial y monitor de vídeo para utilizar el cable. No lo trató con reproductor de dvd que había compuesto en. Tienen que hacer un nuevo cable para probarlo.
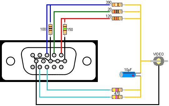
Cortesía de Epanorama.net.
Este es un muy simple adaptador de vídeo compuesto blanco y negro para experimentadores. El circuito es muy simple, por lo que la señal no es exactamente según el estándar de vídeo, pero al menos deben recibir algún tipo de imagen.
El circuito necesita VGA TV drivers que polaridad negativa HSYNC y VSYNC señales de salida. Que los conductores no lo he probado en mi página web salida polaridad negativa sincronización de señales (activo en lógica cero). Sólo he hecho pruebas con la tarjeta Matrox Millinum que permite cambiar fácilmente las polaridades de sincronización con la utilidad de configuración.
El circuito sí mismo es tan pequeño que puede ser fácilmente construido dentro de una carcasa de conector VGA (que es cómo construí mi prototipo). El circuito es conveniente para los sistemas PAL y NTSC de borh.
Otra idea.
Tengo otra idea de cómo la sincronización de la señal podría ser producted mejor. Aquí he utilizado un transistor para combinar las señales HSYNC y VSYNC en vez de resistencias como en mi primer circuito. En teoría este circuito debe funcionar mejor, pero todavía no he probado esta versión. Este circuito también necesita eso HSYNC y señal VSYNC son de polaridad negativa.