Paso 1: El diablo en los detalles...


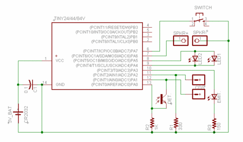
El Attiny44v de Atmel AVR es un microcontrolador de 14 pines con 4K bytes de memoria RAM flash y 256 bytes de SDRAM. El chip tiene un oscilador interno de 1 MHz, 8 y 16 bits contadores y análogo a convertidores digitales. Se ejecutará con tan poco como 1.8V. He utilizado el paquete de la inmersión y una toma asi se puede quitar para reprogramación. Se dispone de varios puertos no utilizados para trucos.
Los ojos de LED están conectados a dos puertos (PA4/PE5) en lugar de un puerto y tierra. Esto permite enviar jugo de cualquier manera para que podemos luz LED bicolor (ver esquema).
Para ambos sensores, se suministra corriente a través de PA1 únicamente cuando se necesita una lectura para guardar jugo. Lecturas de ADC se toman de PA0 (IR) y PA2 (visible), cada uno con su propio resistor de divisor de tensión (R1 y R2).
Un IR LED y la resistencia de limitación de corriente se conectan en PA3 para puede estar encendido separadas de los ojos.
Sonido se genera en PA6 mediante modulación de anchura de pulso del contador de 16 bits y un altavoz piezo-eléctrico.
Energía es de una celda de moneda de litio de CR2032 que es el más barato, más fácil de encontrar la fuente de 3V que pude encontrar. De Digikey son aproximadamente $0,28. Por qué venden en la tienda en $4 está más allá de mí. Incluí un 0.1uF condensador para eliminar ruido. Es opcional.
Pulsador normalmente abierto está conectado a PA7 y utilizado como un pin cambio de interrupción para cambiar modos o corriente.
Nada demasiado terriblemente complicado o inteligente. Recuerda, soy un principiante. Este es mi primer diseño. Vamos a ver si podemos construir uno...