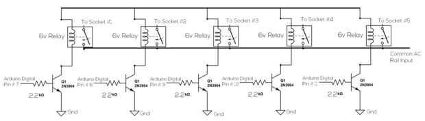
Paso 7: Construir el circuito del relé de





Construí mi circuito de relé DIY. Obviamente se trata de un prototipo completo, utilicé un perfboard para mis componentes de montaje. Esto es peligroso, expuesta línea de CA puede causar la muerte por electrocución. Antes de este proyecto, asegúrese de que usted está calificado para ejecutar la tarea. En el futuro mi próxima versión probablemente incluye los relés de estado sólido montados en un PCB personalizado.